BOSS_CH-1_维修手册电器原理图

BOSS_CH-1_维修手册电器原理图-找手册网
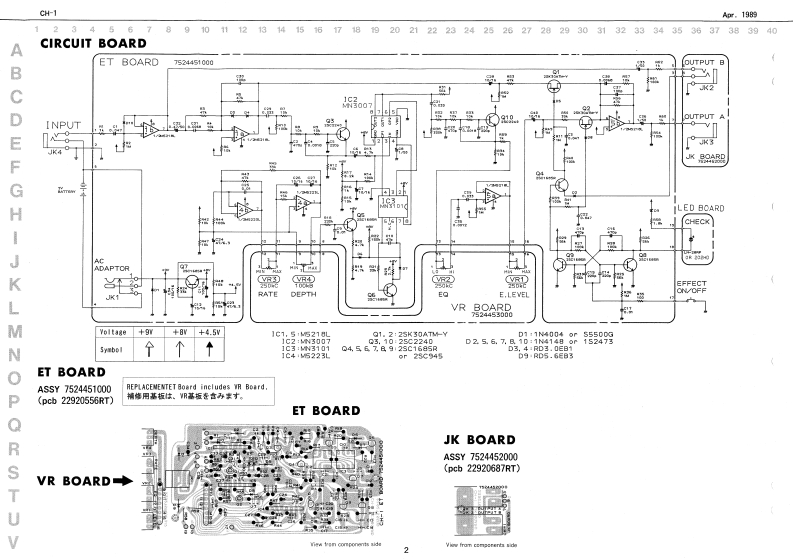
BOSS_CH-1_维修手册电器原理图
此内容为付费资源,请付费后查看
1921
立即购买
您当前未登录!建议登陆后购买,可保存购买订单
付费资源

第1页 / 共2页

第2页 / 共2页
已完成全部阅读,共2
THE END
Apr.1989CH-15B▣SGCH-1SERVICE NOTESPARTSLIST【0mC42First EditionSUPER CHORUSSPECIFICATIONS7Pontr BeurieW09rPui000PJ。I.Cirscroe时演)¥55引H0¥1D}mAC Adpoter(PSA series))2-4a3Vi6a4-45/i6e41544W2g/14网.5n-458rHF-00n07见4n话e64Cw4卡为=++++卡+号LED FARINgsb 20eo00m1Irout Inpetance填ay80P美1Nadrn Oatast lerel上1错H地-38年,1-1时8m1125梦10们)Ovir IQC4dtPg4120.223,2400Kl.oa the ET noard.7入号6 the ET BoariOONTN-YIET.15445T101G国ca the IT BoardC12271ATI522Der 120GYINGk-■1HHCUD-UL1A汇41244G-i713513440HL海4404属1里浮1T1CUTPT AB←CUTPUT EJV-848L←OUTPUTNPUTE.LEVEL D9 RATE4SUPERChorus@+1403309G201726]卡44+4甲EXPLODED VIEW(分解☒)Chulan-22w■Gide Duhing¥了0y罗《款的104440(22111213RolandPrinted in Japan BD-2(DP)1
喜欢就支持一下吧
评论 抢沙发

请登录后发表评论

    请登录后查看评论内容