BOSS_CL-50_维修手册电器原理图

BOSS_CL-50_维修手册电器原理图-找手册网
BOSS_CL-50_维修手册电器原理图
此内容为付费资源,请付费后查看
1921
立即购买
您当前未登录!建议登陆后购买,可保存购买订单
付费资源

第1页 / 共8页

第2页 / 共8页

第3页 / 共8页

第4页 / 共8页

第5页 / 共8页

第6页 / 共8页

第7页 / 共8页

第8页 / 共8页
已完成全部阅读,共8
THE END
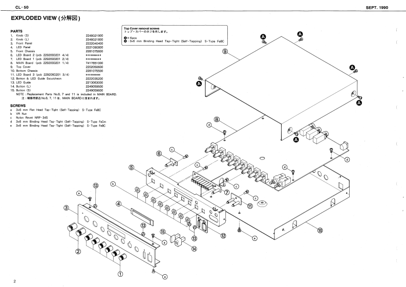
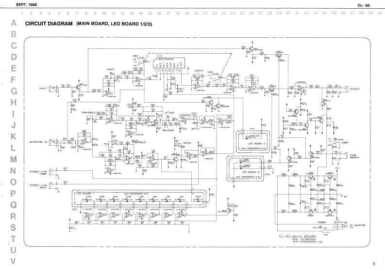
SEPT.1990CL-50⑤EB▣SSCL-50SERVICE NOTES囹SPECIFICATIONS/仕樣COMPRESSORFirst Edition10dDn/+4nLIMITER与+4n1日/10TABLE OF CONTENTS目次=k-.Pageeal lroedanca/A办fyE-gya}:。SPECIFICATIONSEXPLODED VIEWPARTS LISTMAIN BOARDMAIN BOARD0LED BOARD 1/2/3LEDB0ARD1/2/31111111111114Tb时L/吴业,5集%P·◆五CIRCUIT DIAGRAM回路图(MAIN BOARD,LED BOARD 1/2/3)(MAIN BOARD.LED BOARD 1/2/3).....5ADJUSTMENTCHANGE INFORMATION更案内………………………………780×1-4%9-5/180c4APPENDIX付辑If the LED lights even when"GATEH1244621GATE THRESHOLD在,才7ELT台LED1442THRESHOLD"is tumed oM有订吞場合……………………8Owwor's [)0wa2291200a4LED Gude2213363080mPct.PstPatPat.GL InodlFK11K1122604AFK11K112100K11K11210AF球11K11278t0G22493595000(10292811(132705[13278982(1☑T9991)13油7101S辆tch (AuhlK由L】n3告上52n5b5)Knd边I892248321830122402190002248021900224902190(1312☒60Pat味Jak《特o0LED PanlK11K1121M码K15K1121M4a21-501222210205000C122T98391322闪C13449146》5555Knos 18)H性分T0-1-010Too CaeaC224802190022450219000C13449720220206030CL5oMP5aMTtCL-50Front Purel20端0g5-Bomom Charaia02277040400K11K112100tAPK11K11220827490000302220107530555F2-7(137T99网01327904se作IPahBton LED Ouide Eacutcheen(1315172scbL山Kndb [5)222015700》C22400210000224802192013128g5》RolandPrinted in Japan BD-2 (DP)
喜欢就支持一下吧
评论 抢沙发

请登录后发表评论

    请登录后查看评论内容