BOSS_DR-55_维修手册电器原理图

BOSS_DR-55_维修手册电器原理图-找手册网
BOSS_DR-55_维修手册电器原理图
此内容为付费资源,请付费后查看
1921
立即购买
您当前未登录!建议登陆后购买,可保存购买订单
付费资源

第1页 / 共7页

第2页 / 共7页

第3页 / 共7页

第4页 / 共7页

第5页 / 共7页

第6页 / 共7页

第7页 / 共7页
已完成全部阅读,共7
THE END
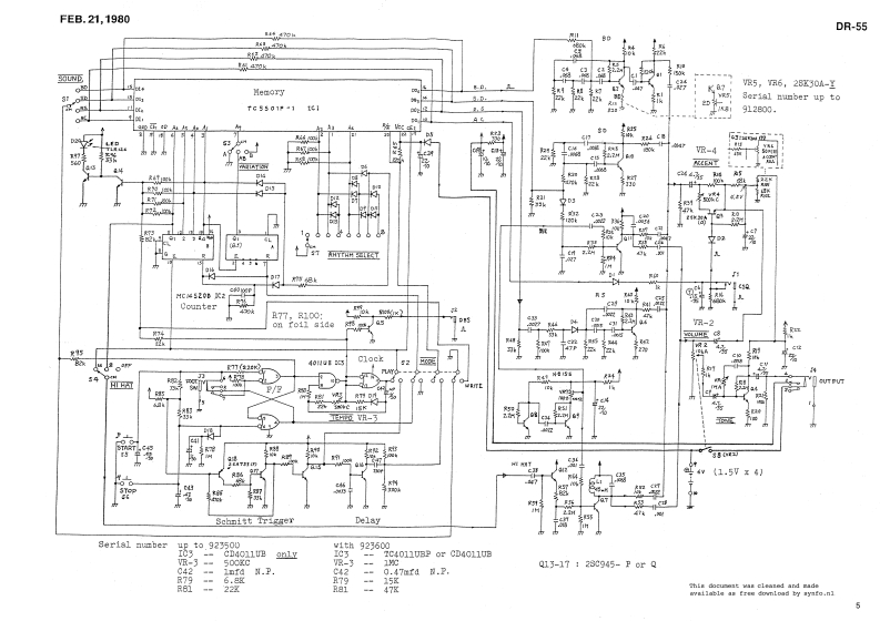
FEB.21,1980DR-55DR-55 SERVICE NOTES8100v0utw0.23x16,4m(120-002】BOSSpr.RbythomCh88018SPECIFICATIONS9.290(061-290》OUTPUTD四8:+5V(8sa)C3Q;+4V10sYOICB at CUTPUT Jack,Power souree 6 V)Chaa8i8VOLUMS,TCUB at max.ACCE1:a台m1n:N0.291renovable日CTAv8Apl1tuag(Vpp】Prequeney〔HzDeeay (ne)tvo at rear)nin.aTY.ax.min.但aX,min.97r,nax.Battery Comneetorw/8tr8p(010-001]BD1.01.31.6146218{16m8]Take cautiont9a1n8p1白Ci5ngR80.70.91,20.690.750.655710里B-2(1550a9J中oard and the nut1150-002SD0.30.40.62.73.15,555751c0《n015e》1.2(520a8)1,2355070FCB renovalacrew8POVER REQUIREMENT84.5 V-6.5 V.(Current drav 5.5 nh ab V)3x 6 8mDIN区BICNS221(W)x116〔D)x53()mWEIGHT850BHo1derH形5A(064055)Covers No.65(065-065}IBD TIR-1243w1tch88E0239obn0-125且attery Ca89{019-028)(001-185)(016-125)so.50H-103/4且色012-050)Xnob no.78Rubber Poot(016-078Bush No.19See cauticn below when(068-019covering the PCB.233月2wJackCh88818n0.291OUTPUP(061-291Battery Caver2TackJ-0235-01-030(Foot Switeh)1-0235-01-00(009-026)《C09-026Jaek 80-8026《009-048】00in8ar8w3x日四·(125-014】Knob no.778M1tcA387-04205Switah SQFR24-12PCAUTION:Do not lay jack leeds orer the PCB as shown in dotted line.(016-077401-293J001-228Sfnce high gain stage ia lceated on that area,the leade willPor the SfAlef and $70P switches,refer to the Parts Listprovide feedback loop.RolandPrinted in与pnAC2Iorailable as free domload by syrfo.nl
喜欢就支持一下吧
评论 抢沙发

请登录后发表评论

    请登录后查看评论内容