

第1页 / 共17页

第2页 / 共17页

第3页 / 共17页

第4页 / 共17页

第5页 / 共17页

第6页 / 共17页

第7页 / 共17页

第8页 / 共17页

第9页 / 共17页

第10页 / 共17页
试读已结束,还剩7页,您可下载完整版后进行离线阅读
THE END
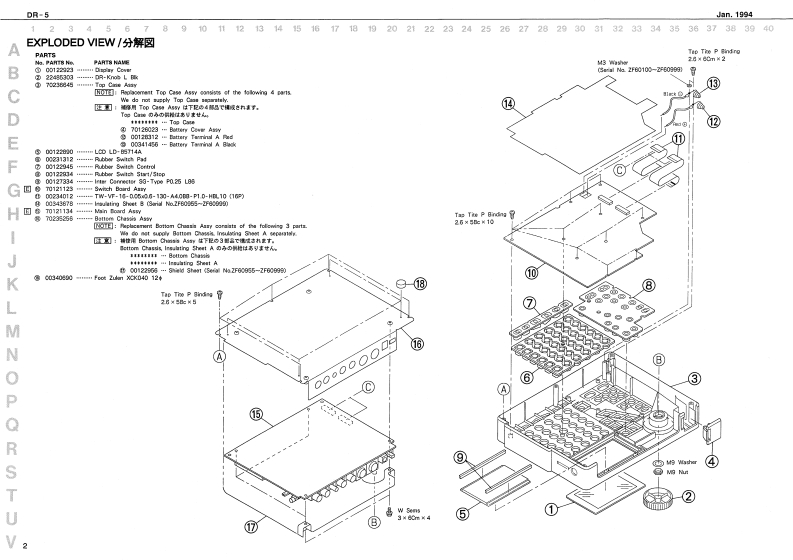
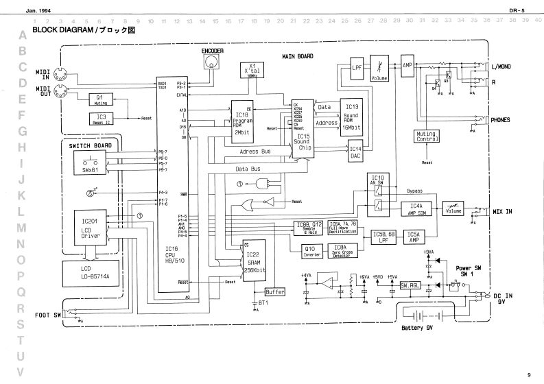
an.1994DR-5回B▣SSSERVICE NOTESSPECIFICATIONS/仕樣OR-5First EditionG-s:Dv.Seston'H-号X4包92Dr:Rhythm Section:中合色数TABLE OF CONTENTS目次Page●3cny2箱●8690小/)y少堡---一-…-;T0国海作f3g国yy7全-卡新:2000SPECIFICATIONS仕线一-…-··…小。。444481月●Re088n分标转1a111111m:4根度Pg9e明方0学夕祥分鲁将EXPLODED VIEW分”2●C到l罗天丁有i1m件:CnL0力天夕4L切PARTS LIST/一y天k···÷··444“11441111下111”3事P4时N,Petr7人y-来一】-一:指Opon atring约n用c山edh压年-青》TEST MODE●Pe45p2里透一一16W8W3球yKW时GaB04aAm48r科DATA SAVE AND LOAD子一夕砂包一ブ日一1111■111m1111”8●0aayL里老0寿确444au:Ae93口0 garesa)Chr.(nkaire typ的】27之疗速1.4时根(7方少营池1间Tne4gu4通yd4pdgB0 chul cand sona of ue.LOADING FACTORY PRESET DATA?y夕刂一寸刂包学卜子一夕四口一卡功方法画国:使用状足尺左?T满空y重T411111911177事白神IB/满传得天+113AIDENTIFYING VERSION NUMBER垂Dr春aa养居寸法:22)×18实质行)×4惠边mDISASSEMBLY PROCEDURE分解方法/性意:·1111111,7-151607=10C复1-12140寸ai2%121 g bameres的AND PRECAUTION垂We:情量量6Ca (a.taClERROR MESSAGE工与一星9他一·44441118■111111118:A.Deycd Banory 8UM-38 t sy xBLOCK DIAGRAM5C图Tha止ews para (Dry ooll B方5UW:3月女特nol supply ts repleceIC DATA00子一夕44“11111111111中中9中=,10CIRCUIT BOARD (MAIN)基板因区司:上即高心6ByUM:巧均生,南老eTa之.端位用蝴盆上LT位房CIRCUIT DIAGRAM (MAIN)回路凤(MAN),…-····121s:72222CIRCUIT BOARD (SWITCH)基板SWITCH)CIRCUIT DIAGRAM (SWITCH)国落☒(VTGH)==*···=*·······4"“·CHANGE INFORMATION变更案内·a乎P-2F-u岛【Top vkw]Y1441(14425DR-KnebLBo⊙Fccd五ncK48124@0140时2万0142m658【8ee】i7-0a1434Roland17059723Printed in Japan BOCE (DP)1
请登录后查看评论内容