BOSS_LM-2B_维修手册电器原理图

BOSS_LM-2B_维修手册电器原理图-找手册网
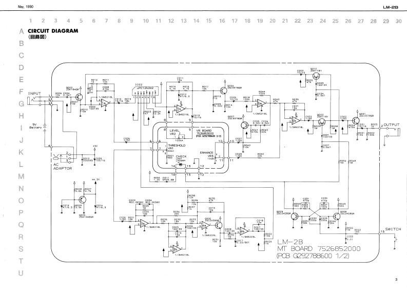
BOSS_LM-2B_维修手册电器原理图
此内容为付费资源,请付费后查看
1921
立即购买
您当前未登录!建议登陆后购买,可保存购买订单
付费资源

第1页 / 共4页

第2页 / 共4页

第3页 / 共4页

第4页 / 共4页
已完成全部阅读,共4
THE END
M.1990LM-28▣B▣SSLm-23SERVICE NOTESEXPLODED VIEW(分解☒)Bass LimiterFirst EditionSPECIFICATIONSrowiDwme1titie'talt)a 1113127100Porwar SourteGM为Owaar's MaeaNGrg编球1年Thumb Screwbe:w.tomaapas (s0gTHO03室100scDtm -977yormlCushion2228330100Nyion Washer3x6%0.5红24Col Spring2217100301(134437117LED [Redl288LN 2BRPPSA Caution11502918224375301)CaseBattery Connector1220177000向2341741400122217a00EVj-2KAP15C54Insulation Spacer22167660001Pot.EVJ-2KAP15814I13278890RTD(13279766刀EVJ-2KAP15A15OUTPUT(1327979RTmINPUT907615(1344910日Q6编gr61868w4LimiterLm-28JactSG7713Bottom CautionBottor Baee413449104122740M0(Basel22357305000Foot BasePodal22187607802235730400All Knobs22477386004RolandPrinted in Jspan 8D-2 (CRO1pG1m年AC8
喜欢就支持一下吧
评论 抢沙发

请登录后发表评论

    请登录后查看评论内容