BOSS_LM-2_维修手册电器原理图

BOSS_LM-2_维修手册电器原理图-找手册网
BOSS_LM-2_维修手册电器原理图
此内容为付费资源,请付费后查看
1921
立即购买
您当前未登录!建议登陆后购买,可保存购买订单
付费资源

第1页 / 共5页

第2页 / 共5页

第3页 / 共5页

第4页 / 共5页

第5页 / 共5页
已完成全部阅读,共5
THE END
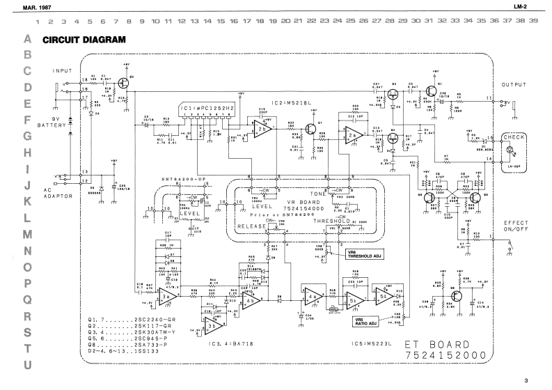
MAR.1987LM-25E▣ssLm-2SERVICE NOTESFirst EditionSPECIFICATIONSPower Source ..............................9V Batteryx1 or AC adaptor (BOSS ACA-100,120,220 or 240)Current Draw........12mA 9v DCResidual Noise ................................Less than -100dBm (IHF-A)(Level and Tone set at the center)Input Impedance ..................1.MOutput Load Impedance ..10 Kn or moreDimensions....70(W)x55(H)x125(D)mm2-4W)×2-1/4(H)x5(D)in.Weight400g/14ozLED redJack HEC0749-01-010LN-28RP(15029198)(13449704)Panel(2221054100)Pot.EVJ-KAAP15B54 50KB(13279785)Pot.-EVJ-KAAP15A15 100KA(13279821)Pot.-Pot.EVJ-KAAP15A16 1MAEVJ-KAAP15B24 20KB(13279822)(13279811)OUTPUTINPUTJack SG-7713#4(13449104)JackSG-7615Limiter(13449105)Lm-2Pedal(2218055300)Pedal Mat(2235030400)Cover,bottom(2202011601)Base,bottom (2235030500)All Knobsgray(2247038600)Cushion夕zThumb Screw4"又夕刂工-(2226033300)3×10mm(40125101)Coil spring天才)yy.34元Case(2217010900)(2201020400)Guide bushing苏1r.才yyy(2215070201)Battery snap圈池(23410414001Switchy于JM-0404(13129710)sRolandThis docurand made available as free download by synfo.nlPrinted in Japan BG-2
喜欢就支持一下吧
评论 抢沙发

请登录后发表评论

    请登录后查看评论内容