

第1页 / 共27页

第2页 / 共27页

第3页 / 共27页

第4页 / 共27页

第5页 / 共27页

第6页 / 共27页

第7页 / 共27页

第8页 / 共27页

第9页 / 共27页

第10页 / 共27页
试读已结束,还剩17页,您可下载完整版后进行离线阅读
THE END
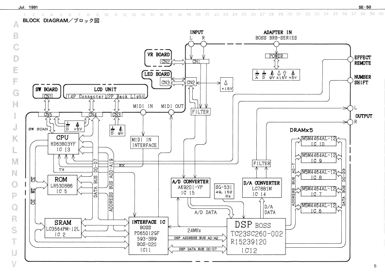
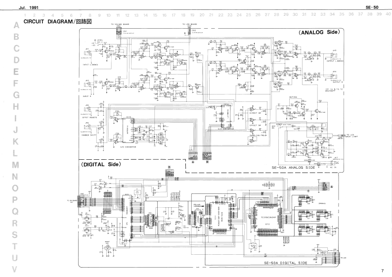
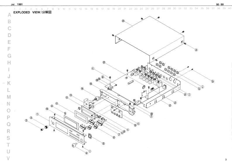
ul,1991SE-505E▣GS5E-50SERVICE NOTESSPECIFICATIONS./仕樣Second EditionCLECTRKAL CHARACTE对5TC5/司要转MISTEREO EFFECTS…:-2DBm44d提nPR0宙50R5.t网·ttL/t出力k44444a50/s0ka以中3北5的0世=比x/一卜第一限南质2儿本梦-Ex)一卡仁拼Fn/0n确周#特性0驰0地(+0-d it a金儿了,cy使同世寸yy■波自:阳MOTEwing urd0 e riner moocari6tt8E-5铅。矩-0尔74十="于x少毒hT,首突西5E:0上不状的〔7B5Ux4巴k90物A)P4 idual Noine-一(LTVEL Swirch 20dDm,THRL)The no S-se wll te horeinonor relored as me '8E-seA'日值②交E表引℃,夕4D8E0专6E:0AJ女(名dtad5E=5】n相5无-0T.OOWVERTERa交·0时E。0.For ma释在taL,e「-制」七E-a」七华.一幼配马置格生制者U重量D#9n40f0m8候-50Ma同6候-50P13FaL)准转海制高aB分但生、用多6朝事ブ名「-0上明配之8品器况8,OTHEIS]11-1==1=1m1m11m1m":12V0B88588-100120220240E248A0984地280Dirsarsioro'SE-60SE-50Aes-1001C0v:a.12440g188Hs-1291244年Pa.1244919Fa1☒1TABLE OF CONTENTS目次Page过1号?2·72卜-7ブ多月AD-0忙生后州甘进来家世人Foot FS-5L FS-6Uiert catle PCS-31SPECIFICAT门CtN5D年IENCES BETWE氏WSE504andS经05E-50A45E-50201中*卡卡卡车行0dBm-0.775ms巴AL5E-0A分…23DIFFERENCES BETWEEN SE-50ASE-50A七SE-50七D違(NPARTS LST5E-80A《-学少A卜and SE-50OCK DIAG用AM5E-50A了日yy圆…白JIT BGARD(NORCUIT DIAGRAM (DIGTAL/ANALOGI5死-60E-50A5DAGRAM (SW)Changa in partsIC DATA马度更CHANGE INFCRMATION雪更案内Bonom Chessis件a228107500pa2001002100-SE-50 (0ld TypePANEL凭-010EX代ODED VEWOigital Boand件a731as0805无-50约解2PARTS LIST无-801-yyZBLOCK DIAGRAM-50口图Mein Bourd%aT门10四400P件4.7316551000CACLIT DIAGRAM OMAIN14Sw BourdPwa.T日10可5009P尚7316554000CROUIT DIAGRAM (DGITAL)国格2DGT从U:17Daplay Unt (LCD Aury)PWa15028300P0.15029540OROUIT BOARD (SW)OROUIT DWAGRAM (SW)*Note thar boch SE-E0An时3E-50a0nt时E:F@mh★easn见品甘方七生量单北0从处0②心B96c平香D表其E过右华◆区40下,注量儿T《起-8E-50A.经-50Camm8n}TEST MOCE子天卜毛一N1111120-22*Loak at the pariten at nenea at MD Jack an the back panal for moking a distinctionDATA SAVE AND LOADSE-50n经-5 A.(referace1)LOWDNG THE FACTORY PRESET DATA*到-即七-A餐见母甘H住y夕-来幼M0城功比天D地量整密工t《■小1一方法以3←F取1喜情)付绿ERROR MESSAGESx5一学但一习1111128Roland170594B0Printed in Japan (DP)BA00 1Cepyright C 1w01 y HOLAND CORPORATION
请登录后查看评论内容