

第1页 / 共15页

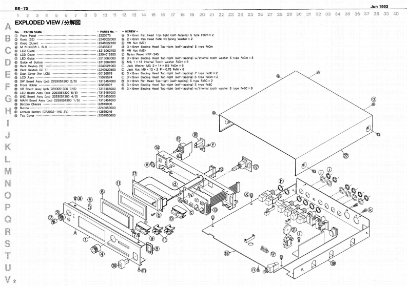
第2页 / 共15页

第3页 / 共15页

第4页 / 共15页

第5页 / 共15页

第6页 / 共15页

第7页 / 共15页

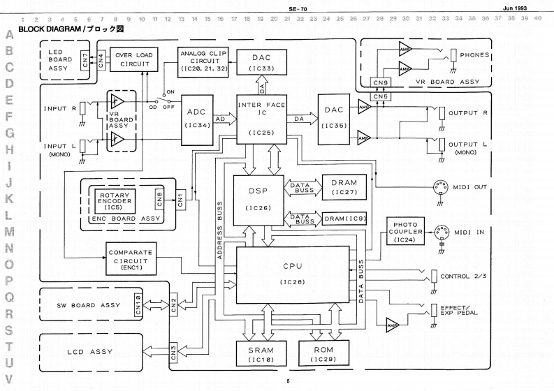
第8页 / 共15页

第9页 / 共15页

第10页 / 共15页
试读已结束,还剩5页,您可下载完整版后进行离线阅读
THE END
Jun 1993SE-70四B▣S6SERVICE NOTESSPECIFICATIONS/仕樣5E-70SUPER EFFECTSFirst EditionPROCESSORthe and of the pags7*王:6E,卡厚=7德信才--1竹yブU)了)TABLE OF CONTENTS目次Page●aapling Fre9c宁yyyy周凌数u::42t0y3中n」7异了V元山喜E量空》●PEgaUwe1的3sSPECIFICATIONS仕楼PANEL《来儿因●N与病L公机入力》一-+-4:一2的+c0nEXPLODED VIEW分铜回………2input lrpedan区a入力4yE-梦y又4-14444u:IM空4nh0 put Les公年出方L兴表nmmm:一244c8mPARTS LIST《一岁。9天卜。的容法方色管++-…#情白c水口上TEST MODE学又卜·毛一IDENTIFYING VERSION NUMBER一夕。少·十《一0难思法-20cBn THlU)DcBT-0.FACTORY SETUP77夕卜少一·子一乡0曹连迟为*…7时等+1u出DATA SAVE罗一夕0保存●Ds4盘示器DATA LOAD于一多而受信●P0行度源一:1Wh0069nF0-9.192024的:15风BLOCK DIAGRAMブ口3夕圆CIRCUIT BOARD基板图CIRCUIT DIAGRAM国路因DGTAL)10CIRCUIT DIAGRAM目路图(ANALOG)76c1a295Oirer's Maraan Sot (Englan Iwter's ManuN I Agaihm GaidalIC DATA12144a1 Adaotar0图-16d12442574,s相四年”量CHANGE INFORMATION变更素内13124434.d=+日-22244:BPB-24E8-24#EB室来LEO12210中544-01=010222205751[REAR PAN】1453-4-0RACK KEYTOP (HET40-01-010y221520241(14404052100044214Roland17059708Printed in Japan BOCE (DP)1Gopyg 1903 by ROLAND CORPORATION
请登录后查看评论内容