DS-1_维修手册电器原理图

DS-1_维修手册电器原理图-找手册网
DS-1_维修手册电器原理图
此内容为付费资源,请付费后查看
1921
立即购买
您当前未登录!建议登陆后购买,可保存购买订单
付费资源

第1页 / 共6页

第2页 / 共6页

第3页 / 共6页

第4页 / 共6页

第5页 / 共6页

第6页 / 共6页
已完成全部阅读,共6
THE END
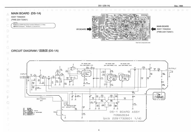
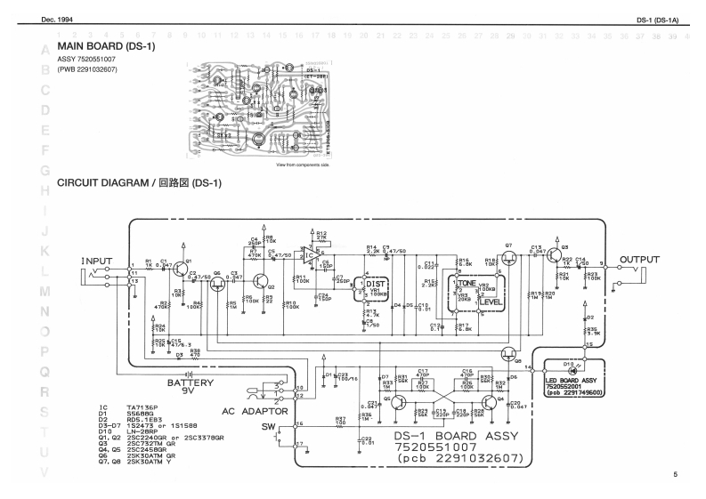
Dcc.1994DS-1 (DS-1A)▣3▣SSPS-1SERVICE NOTESTHE DIFFERENCE BETWEENDS-1ADS-1①连1Second EditionDS-1A AND DS-1Distortlont老有L,1B1 CA.ADAPTO TY中忘BLA5LADN名信y匹1☆心区1老书D重有,包万尾罗CLs1上表求h量C光+星介北重thOIE国神he ol one in shce Thence D5t wl be hererader peferred o a柱在◆重L处.餐文4行Lt.餐”470051t81A上1号名降2d国道.g龄twn4 epatble beove4eT卫5ln”adT运用儿(8t,用多4705注,果来通月TG1”1:号者同里明L4寸.mg3059f相L.E51风上Ds122:子P1D登MLT下OS-1D9-1AD81(P8A ADAPTOR TYPEI(ACA ADAPTOR TYPE514Distortion口54@30SS⊙D8.1AD8-1IP8A ADAPTOR TYPE)ACA ADAPTOR TYPEI08-1AD5-1LACA ADAPTOR TYPEG1shD中一世天库出冬要素寸a上H上.ND求E上可1名套情边儿t下(92●BAasyD8利合6D8N5宣正t6E事.下已WD显少公看tTABLE OF CONTENTS目次PagePlB As68a写10LN0U7268834THE DIFFERENCE BETWEEN DS-1A AND DS-1DS-1A七DS-10连l1U1AmC1现1%aaI191%a四10000SPECIFICATIONS仕样1111112LOCATION OF CONTROLS/未儿配置圆=-2EXPLODED VIEW分解回…442PARTS LIST-以又卜a44444444444…3aDTa风CAIN%125幻00Wn幻1eCIRCUIT BOARD基板☒DS-1)nmm…4CIRCUIT DIAGRAM目路圆D5-1A·格复留卡乙特、上格仁量人《6要全花品想r4自0dCIRCUIT BOARD基板☒D5-1)444+5Dweer'eCIRCUIT DIAGRAM区路☒DS-1)444444“5IVEEVIDLLAL.BKOOEF0E780689APPENDIX付绿6◆fadiScatie fra里teEs】w程ary to the D6lAan4paae好Roland170597e8Prinled in Japan AIDO (DP]1C啊*H81刚79DG994T9W
喜欢就支持一下吧
评论 抢沙发

请登录后发表评论

    请登录后查看评论内容