GK-1_维修手册电器原理图

GK-1_维修手册电器原理图-找手册网
GK-1_维修手册电器原理图
此内容为付费资源,请付费后查看
1921
立即购买
您当前未登录!建议登陆后购买,可保存购买订单
付费资源

第1页 / 共2页

第2页 / 共2页
已完成全部阅读,共2
THE END
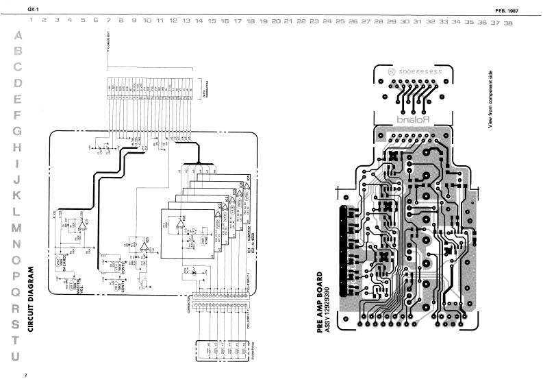
FLB.19转7GK-1GK-1SERVIGE NOTESFirs:EditionKnsb-22402a6SPECIFICATIONSTop Cint22013691hr电for inlli时anCoil SpringDrhver32x10mOwrer's MasanHogk0000002238012222340mGK-123483202Betsom Case1:67m220136网2b:24mme:1t这5mmd:24mm:3mmPARTS LISTCASING22013691Top Case2201369222323403Hook2242023aKnob22173179Go11 Spring3,2×10m221939073x6mm Flat Tapping BLKHolder22193964Holder高22023776Uotto CoverPCB ASSY12929390Preamp Hoard (with connector board)D村d PickupPOTENTIOMETER238361613279814EV元-P2A15B1410KB2201776CONNECTORPreanp Board Aury13429810PICL-8158-LT-11229381213429809PICL-S15P-LI-1PICKUP2238J616Divided PefkupHoldee221937222364CORD2j40202C-24 BUS Cord (with conector)MISCELLANEOUS22263377Pickup Cushion22263378Holder Spacer22163546Pickup Spacer22173181Coil Spring 3.2 x16omDivided Pickup2181204Noranl Guiear Cord22353367Double Sided Adhesive TapeRoland22563334ScrevdriverPrinted in Japan BB-2 LH 1
喜欢就支持一下吧
评论 抢沙发

请登录后发表评论

    请登录后查看评论内容