Mackie_CR1604_Main_Board_Schematic电器原理图s

Mackie_CR1604_Main_Board_Schematic电器原理图s-找手册网
Mackie_CR1604_Main_Board_Schematic电器原理图s
此内容为付费资源,请付费后查看
1921
立即购买
您当前未登录!建议登陆后购买,可保存购买订单
付费资源

第1页 / 共6页

第2页 / 共6页

第3页 / 共6页

第4页 / 共6页

第5页 / 共6页

第6页 / 共6页
已完成全部阅读,共6
THE END
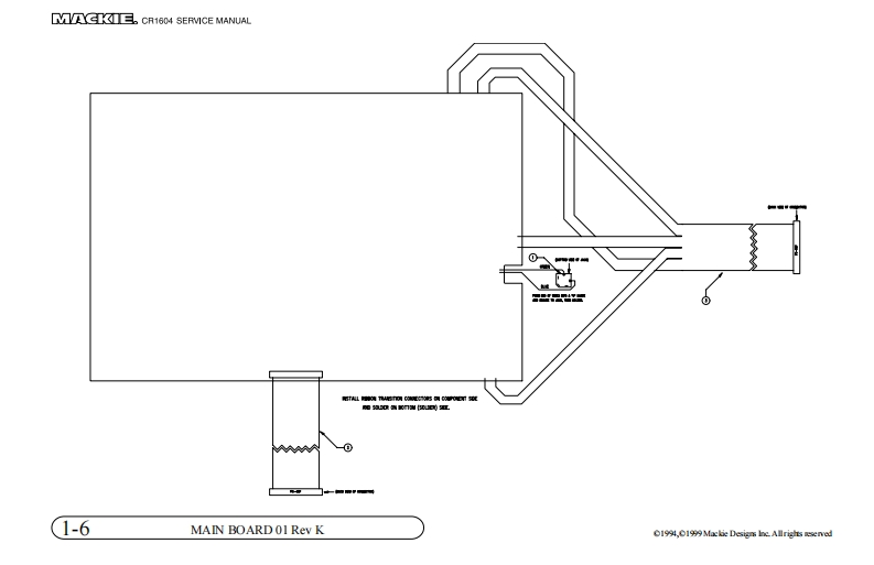
CR1604 SERVICE MANUAL520-001-03HR口器第4w8口学了=州”CHANNEL 1CHANNES2-8AEM组A盟等洲SOMAnICC-M04 MAM9w人4531o9491999 hekcie DesignsIn.A灿ng临民anedMAIN BOARD 01 Rev K1-1
喜欢就支持一下吧
评论 抢沙发

请登录后发表评论

    请登录后查看评论内容