

第1页 / 共14页

第2页 / 共14页

第3页 / 共14页

第4页 / 共14页

第5页 / 共14页
试读已结束,还剩9页,您可下载完整版后进行离线阅读
THE END
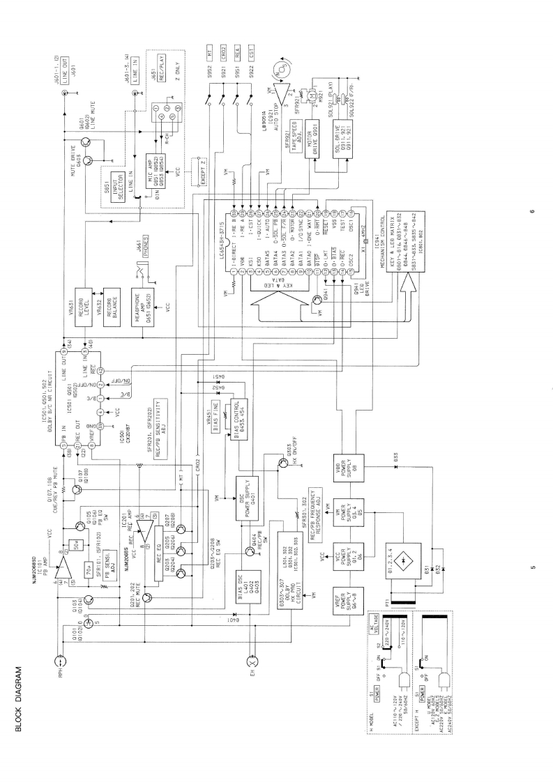
S/M Code No.90-052 DATE OF ISSUE 6/1990-TAIWAAD-F400SERVICEMANUALSTEREO CASSETTE DECKBASIC TAPE MECHANISM:X-3·TYPE.H,U.E,K,ZSPECIFICATIONSTypeStereo cassette tape deckOutputsPLAY/LINE OUT standard outputTrack format4 tracks,2 channelslevel:0.35 V (0 VU)suitable loadPower supplyAD-F400Himpedance:over 50 kAC110-120V220-240VDIN standard level (Z model only)switchable.50/60 Hz0.35V0VUAD-F400UHeadhpones:8 Q-1 kOAC 120 V,60 HzAD.F400E,2Dimenslons4300×127.5H×233.4D)mmWeightAC220V.50/60Hz3.2kgAD-F400KAC240V,50/60HzPower consumption17WDesign and specifications are subject to changeFrequency responsewi thout notice.METAL tape:20-18,000HzCrO2 tape:20-17,000Hz.Dolby noise reduction and HX Pro headroom exten-NORMAL tape:20-16,000 Hzsion manufactured under license from Dolby Labora-Sigrial-to-noise ratiotories Licensing Corporation.HX Pro originated by73 dB (METAL tape DOLBY C NRBang OlufsenON)●“Dolby:the double-D symbol Do and "HX PROWow and flutter0.15%(according to DIN 45500)are trademarks of Dolby Laboratories Licensing0.065%WRMS)Corporation.Tape speed4.8 cm/sec.(17/a ips)Rewind time90sec.(C60)Fast forward time 90 sec.(C-60Recording systemAC bias (frequency 85 kHz)Erase systemAC eraseMotorDC servomotor (1)HeadsRecord/playback head (1)Erase head(1)InputsREC/LINE INmaximum input sensitivity:50 mv(over 50 ko)DIN max sensitivity (Z modeonly):0.1 mV/k (3.3 k)AIWA Co.,Ltd.Tokyo JapanPrinted in Japan
请登录后查看评论内容