

第1页 / 共23页

第2页 / 共23页

第3页 / 共23页

第4页 / 共23页

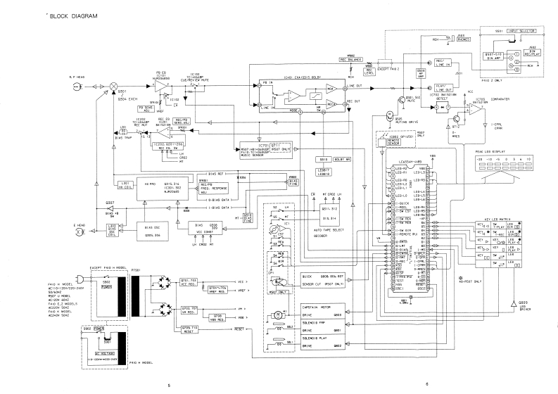
第5页 / 共23页
试读已结束,还剩18页,您可下载完整版后进行离线阅读
THE END
S/M Code No.91-026 DATE OF ISSUE 6/1991-TAIWAAD-R507AD-F410SERVIC旺MANUALSTEREO CASSETTE DECKU(R507)BASIC TAPE MECHANISM:a-14TYPE.H,E,K,Z(F410)AIWA Co.,Ltd.Tokyo J apanPrinted in Japan
请登录后查看评论内容