

第1页 / 共19页

第2页 / 共19页

第3页 / 共19页

第4页 / 共19页

第5页 / 共19页
试读已结束,还剩14页,您可下载完整版后进行离线阅读
THE END
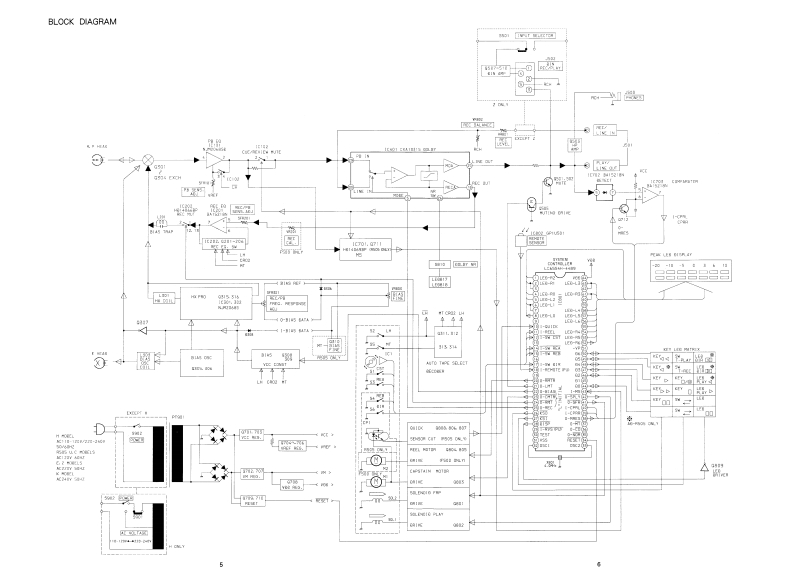
S/M Code No.90-099 DATE OF ISSUE 12/1990-TAWAAD-F500AD-R505SERVIC旺MANUALSTEREO CASSETTE DECKBASIC TAPE MECHANISM:a-14·TYPE.H,E,K,Z(F500)H.U,C.E,K,Z (R505)AIWA Co..Ltd.Tokyo JapanPrinted in Japan
请登录后查看评论内容