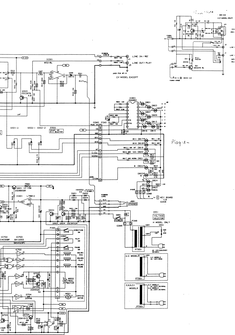
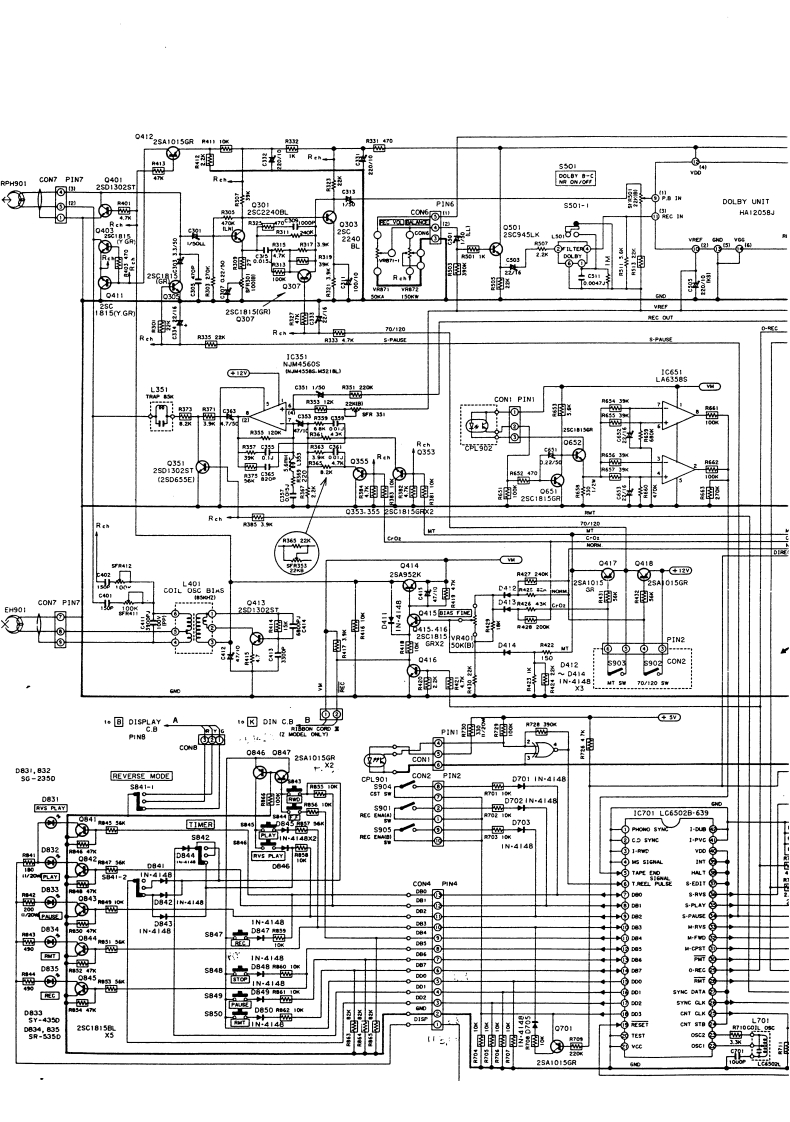
编号25:爱华Aiwa-ADF450-tape-电气原理图

编号25:爱华Aiwa-ADF450-tape-电气原理图-找手册网
编号25:爱华Aiwa-ADF450-tape-电气原理图
此内容为付费资源,请付费后查看
1921
立即购买
您当前未登录!建议登陆后购买,可保存购买订单
付费资源

第1页 / 共2页

第2页 / 共2页
已完成全部阅读,共2
THE END
41225A105RH901CON7 PIN7281902st282240ms501-1DOLBY UNITC06Ha12058J04938451L×图20307.GRNEC OUT70/t20S-PAUSLAGS38SG1922CON:PINI62榴4355,4n型8门03.35323c18152122494425A952K器CON7 PIN7H9020416D412CON2D4141341程701205☒DwC,BB南RIG08460847D80:2850REVERSE MODES841=1701418D70214141C70LC65026:639TIME可45842IN-A14AX0IN-4148L SIENT器的S-RVS141481M-4148限翠08471N41487而器级1N-41489849DATAs8500■■70t哈58829c181g0701s.申韩⑧誉23A1015GR
喜欢就支持一下吧
评论 抢沙发

请登录后发表评论

    请登录后查看评论内容