编号46:爱华Aiwa-ADR505-tape-维修图纸手册

编号46:爱华Aiwa-ADR505-tape-维修图纸手册-找手册网
编号46:爱华Aiwa-ADR505-tape-维修图纸手册
此内容为付费资源,请付费后查看
1921
立即购买
您当前未登录!建议登陆后购买,可保存购买订单
付费资源

第1页 / 共19页

第2页 / 共19页

第3页 / 共19页

第4页 / 共19页

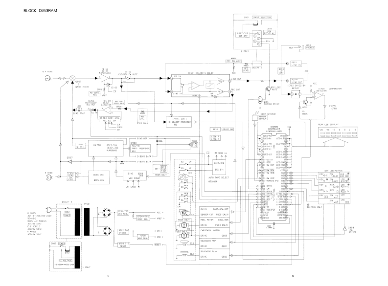
第5页 / 共19页
试读已结束,还剩14页,您可下载完整版后进行离线阅读
THE END
S/M Code No.90-099 DATE OF ISSUE 12/1990-TAWAAD-F500AD-R505SERVIC旺MANUALSTEREO CASSETTE DECKBASIC TAPE MECHANISM:a-14·TYPE.H,E,K,Z(F500)H.U,C.E,K,Z (R505)AIWA Co..Ltd.Tokyo JapanPrinted in Japan
喜欢就支持一下吧
评论 抢沙发

请登录后发表评论

    请登录后查看评论内容