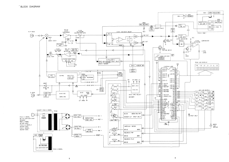
编号47:爱华Aiwa-ADR507-tape-维修图纸手册

编号47:爱华Aiwa-ADR507-tape-维修图纸手册-找手册网
编号47:爱华Aiwa-ADR507-tape-维修图纸手册
此内容为付费资源,请付费后查看
1921
立即购买
您当前未登录!建议登陆后购买,可保存购买订单
付费资源

第1页 / 共23页

第2页 / 共23页

第3页 / 共23页

第4页 / 共23页

第5页 / 共23页
试读已结束,还剩18页,您可下载完整版后进行离线阅读
THE END
S/M Code No.91-026 DATE OF ISSUE 6/1991-TAIWAAD-R507AD-F410SERVIC旺MANUALSTEREO CASSETTE DECKU(R507)BASIC TAPE MECHANISM:a-14TYPE.H,E,K,Z(F410)AIWA Co.,Ltd.Tokyo J apanPrinted in Japan
喜欢就支持一下吧
评论 抢沙发

请登录后发表评论

    请登录后查看评论内容