

第1页 / 共31页

第2页 / 共31页

第3页 / 共31页

第4页 / 共31页

第5页 / 共31页
试读已结束,还剩26页,您可下载完整版后进行离线阅读
THE END
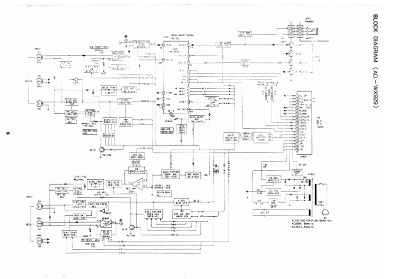
aluaAD-WX929AD-WX828090009m00AD-WX929IVO N VWAD-WX828STEREO CASSETTE DECK●BASIC TAPE MECHANISM:a-1AMKI·TYPE.HEE,KSPECIFICATIONSTypeStereo cassette tape deckOutputPLAYALINE OUT:350 mV (0 VU)Track format4 tracks,2 channelsOptimum load impedance 47 kn or morePHONES:0.8 mW (load impedance 32Power requlrementsAD-WX929HE/AD-WX828HEo VU)AC 120/220/240V switchable,50/60HzAD-WX929E/AD-WX828EOuter dimensionsW×HXD)AC 230V.50HzAD-WX929:430×140×317.5mmAD-WX929K/AD-WX828KAD-WXB28:430×140×317.5mmAC 240V,50HzWelghtPower consumptlon23WFrequency responseMetal tape:20-18,000Hz-8de(-20dB Recording)CrO2 tape20-17.000Hz-8dB-20 dB Recording)Normal tape:20-16,000Hz-1 dB(-20dB Recording)Signal-to-noise ratioWow and flutterAD-WX929:0.060%(WRMS)AD-WX828:0.065%(WRMS)Recording systemAC biasErasure systemAC eraseMotorDC motor×2OI AaSPlayback/recording headPermalloy headErasure headDouble gap Ferrite headInputREC/LINE IN:50mV(input impedance 47kn.0 VU)*Design and specifications are subject to change without notice.Dolby noise reduction and HX Pro headroomextensionmanufactured under license from Dolby Laboratories LicensingCorporation.HX Pro originated by Bang Clufsen.DOLBY".the double-D symbol and "HX PRO"aretrademarks of Dolby Laboratories Licensing Corporation.S/M Code No.0184 DATE OF ISSUE 2/1993-I
请登录后查看评论内容