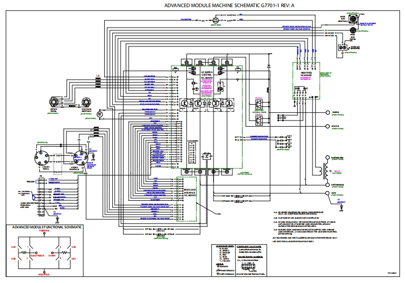
LINCOLN林肯电焊机ADVANCED-MODULE-MACHINE-SCHEMATIC-G7701-1-REV-A电器原理图

LINCOLN林肯电焊机ADVANCED-MODULE-MACHINE-SCHEMATIC-G7701-1-REV-A电器原理图-找手册网
LINCOLN林肯电焊机ADVANCED-MODULE-MACHINE-SCHEMATIC-G7701-1-REV-A电器原理图
此内容为付费资源,请付费后查看
1929
立即购买
您当前未登录!建议登陆后购买,可保存购买订单
付费资源

第1页 / 共2页

第2页 / 共2页
已完成全部阅读,共2
THE END
ADVANCED MODULE MACHINE SCHEMATIC G7701-1 REV:A0率0品淀L机IgOUDAKADMnT+图L星e受min
喜欢就支持一下吧
评论 抢沙发

请登录后发表评论

    请登录后查看评论内容