TIG2051J87-schematic1drawing电器原理图

TIG2051J87-schematic1drawing电器原理图-找手册网
TIG2051J87-schematic1drawing电器原理图
此内容为付费资源,请付费后查看
1921
立即购买
您当前未登录!建议登陆后购买,可保存购买订单
付费资源

第1页 / 共2页

第2页 / 共2页
已完成全部阅读,共2
THE END
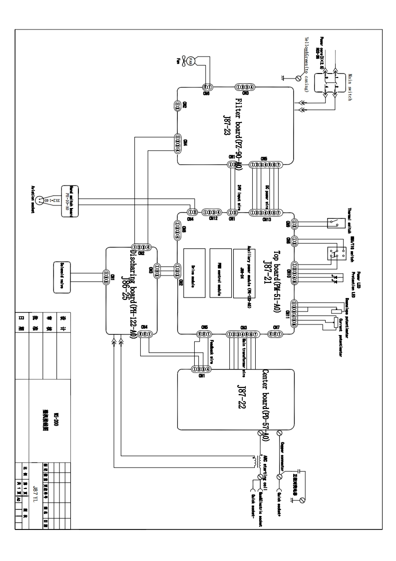
YellowkGreen (to casing)d①d①④187-3e①G00①1-AE24Y Input wire①①①0000CN12130西787-2176-25Discharing board (PH-122-A0)是P control module三5Top board(PM-51-A0)部03CH7④。187-22秀-8著Center board(PD-57A0)开室神川灣7873L
喜欢就支持一下吧
评论 抢沙发

请登录后发表评论

    请登录后查看评论内容