TIG205S1J88-schematic1drawing电器原理图

TIG205S1J88-schematic1drawing电器原理图-找手册网
TIG205S1J88-schematic1drawing电器原理图
此内容为付费资源,请付费后查看
1921
立即购买
您当前未登录!建议登陆后购买,可保存购买订单
付费资源

第1页 / 共2页

第2页 / 共2页
已完成全部阅读,共2
THE END
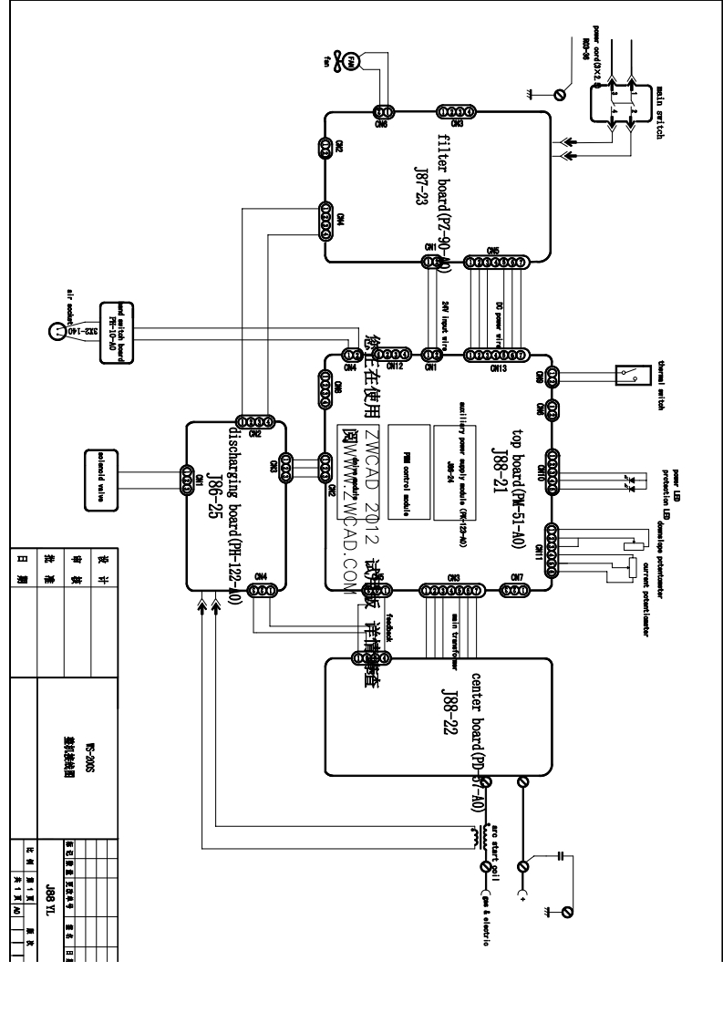
0000main sritch18T-23CN1filter board(PZ-90-)BCUG⑦-0000000G13186-25J88-21top board (PM-51-A0)四必贴discharging board(PH-122-0)WWW.ZWCAD.CON妻平000000000@788-228roa8o水
喜欢就支持一下吧
评论 抢沙发

请登录后发表评论

    请登录后查看评论内容