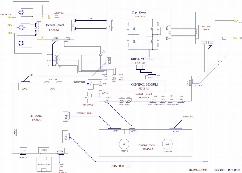
TIG300S1schematic1drawing电器原理图

TIG300S1schematic1drawing电器原理图-找手册网
TIG300S1schematic1drawing电器原理图
此内容为付费资源,请付费后查看
1921
立即购买
您当前未登录!建议登陆后购买,可保存购买订单
付费资源

第1页 / 共2页

第2页 / 共2页
已完成全部阅读,共2
THE END
AC2V FnTop BoardP-02,A2CBottom boardChuir boudPZ-01-0FD06-B0DRIVE MODULEPK-08-A0ARCTRGWaTΦCONTROL MODULEFeed BadkCONGCONIPK-(0B-A0Contrel BoardPK-05-A4ARC FORCECONTROL LINEHF BOARDPZ-31.A0星CON]CON2CONBCONT POL BOA④100KPH-17-A2CONAAyU到心d0CONTROL HFΠG250300300SELECTRICDIAGRAM
喜欢就支持一下吧
评论 抢沙发

请登录后发表评论

    请登录后查看评论内容