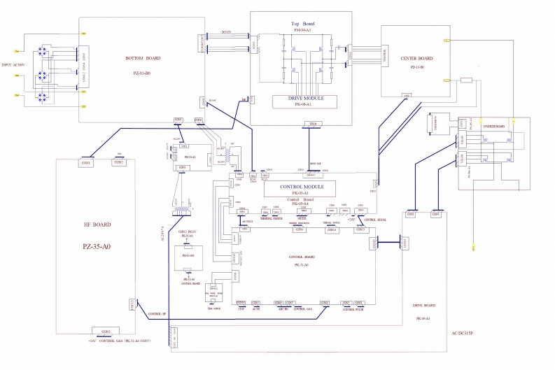
TIG315PACDC1R631with1wiring1diagram电器原理图

TIG315PACDC1R631with1wiring1diagram电器原理图-找手册网
TIG315PACDC1R631with1wiring1diagram电器原理图
此内容为付费资源,请付费后查看
1921
立即购买
您当前未登录!建议登陆后购买,可保存购买订单
付费资源

第1页 / 共2页

第2页 / 共2页
已完成全部阅读,共2
THE END
Top BeardPXE-4-A3BOTTOM BOARDCENTER BOARDD30PZ03-B0DRIVE MOOULEPK-06-AICONTROL MODULEPK-0-AL上PK-08-A42HF BOARDPZ-35-A0eB花国球DC3引5P
喜欢就支持一下吧
评论 抢沙发

请登录后发表评论

    请登录后查看评论内容