西门子QAE21(全)

西门子QAE21(全)-找手册网
西门子QAE21(全)
此内容为付费资源,请付费后查看
1921
付费资源

第1页 / 共6页

第2页 / 共6页

第3页 / 共6页

第4页 / 共6页

第5页 / 共6页

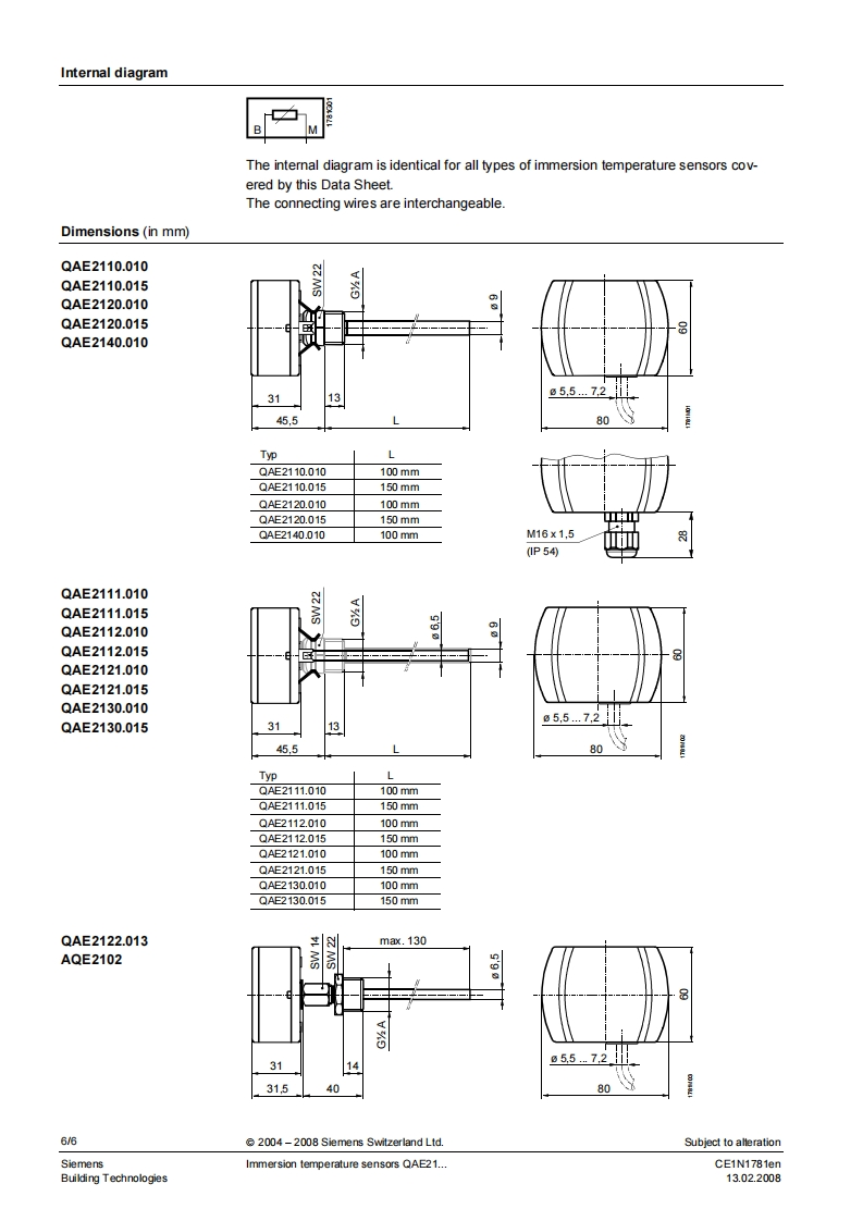
第6页 / 共6页
已完成全部阅读,共6
THE END
SIEMENS1781SIEMENS豆0*2120010Symaro TMImmersion TemperatureSensorsQAE21...Passive sensors for acquiring the water temperature in pipes and tanks.UseThe QAE21...immersion temperature sensors are for use in ventilation and air condi-tioning plants for:Controlling or limiting the flow temperatureLimiting the return temperatureControlling the DHW temperatureType summaryTypOutfitImmersionNominalSensingDegree oflengthpressureelementprotectionQAE2110.010Including protection pocket with threaded nipple G %A100mmPN10Pt100IP 54QAE2110.015Including protection pocket with threaded nipple G%A150mmPN10Pt1001P54QAE2111.010With clamp for protection pocket100mmPN可Pt100IP 42 (IP 54)3QAE2111.015 With clamp for protection pocket150mmPN可Pt100IP42(IP54))QAE2112.010With clamp for protection pocket100mmPN+Pt1000IP42(IP54))QAE2112.015With clamp for protection pocket150mmPN切Pt1000IP 42 (IP 54)3)QAE2120.010Including protection pocket with threaded nipple G%A100mmPN10LG-M1000I1P420P54)QAE2120.015Including protection pocket with threaded nipple G%A150mmPN10LG-M1000IP420P54)QAE2121.010With clamp for protection pocket100mmPN可LG-N1000IP42(P54QAE2121.015With clamp for protection pocket150mmPNLG-M1000IP42(0P54)QAE2122.013Including compression fitting with threaded nipple G %Amax.130 mmPN16LG-M1000IP42(IP54)可QAE2130.010With clamp for protection pocket100mmPNNTC 10kIP42(IP54)到QAE2130.015With clamp for protection pocket150mmPN+)NTC 10kIP42(IP54)到QAE2140.010 Including protection pocket with threaded nipple G %A100mmPN10T1IP420P54))1)Protection pocket required(not included as standard)2)Adjustable immersion length3IP 54 with cable entry gland M16(not included as standard)4)Depending on the type of protection pocket usedCE1N1781en13.02.2008Building Technologies
喜欢就支持一下吧
评论 抢沙发

请登录后发表评论

    请登录后查看评论内容