西门子压差传感器QBE61-3-DP—

西门子压差传感器QBE61-3-DP----找手册网
西门子压差传感器QBE61-3-DP—
此内容为付费资源,请付费后查看
1921
付费资源

第1页 / 共4页

第2页 / 共4页

第3页 / 共4页

第4页 / 共4页
已完成全部阅读,共4
THE END
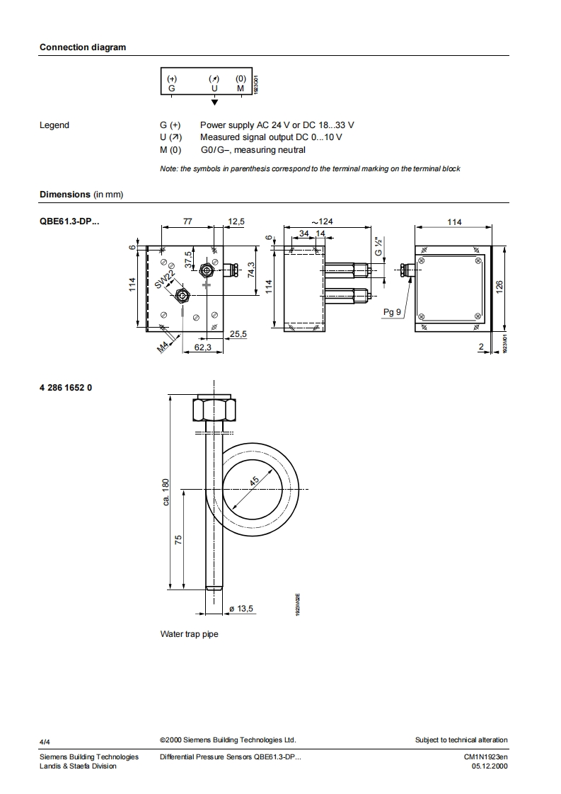
SIEMENS济南工达孔功24小时为您服务!www.cngdkj.com电话:18653198028QQ:1319331276西门子全国最大合作伙伴!6Differential pressuresensorsQBE61.3-DP...for neutral or slightly aggressive gases and liquidsOperating voltage AC 24 V or DC 18...33 V.Output signal DC 0...10 VConnecting male thread G%".3 versions covering a total differential pressure range of 0...10 barCeramics measurement systemHigh level of safety against overpressuresUseFor acquiring the differential pressures in HVAC plant.Suited for use with the following types of media:Neutral or slightly aggressive gasesNeutral or slightly aggressive heating water and cold water(with or without additives,such as hydrazine or glycol)Type summaryMeasurement rangeMax.overload on one sideNominalType referencebar][bar]pressure0.2±12PN 40QBE61.3-DP20.5±20PN40QBE61.3-DP50.10±20PN 40QBE61.3-DP10CM1N1923enSiemens Building Technologies05.12.2000Landis Staefa Division
喜欢就支持一下吧
评论 抢沙发

请登录后发表评论

    请登录后查看评论内容