

第1页 / 共11页

第2页 / 共11页

第3页 / 共11页

第4页 / 共11页

第5页 / 共11页

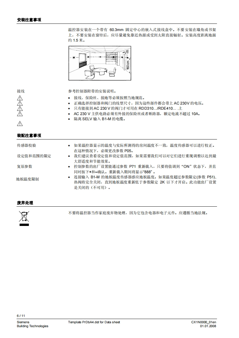
第6页 / 共11页

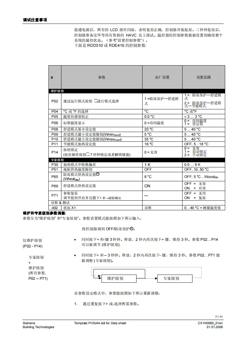
第7页 / 共11页

第8页 / 共11页

第9页 / 共11页

第10页 / 共11页
试读已结束,还剩1页,您可下载完整版后进行离线阅读
THE END
济南工达孔功S24小时为您服务!www.cngdkj.com电话:18653198028QQ:1319331276西门子全国最大合作伙伴!SIEMENSSIEMENS24524500:7RDD310RDE410带液晶显示的RDD310嵌入式房间温度控制器RDE410供热系统RDD310和RDE410的特点:工作电压AC230V带开关控制输出的双位控制单一外部输入温度传感器(QAH11.1/QAA32)供热的温度限定功能,由外部温度传感器来进行控制(可选释)运行模式:舒适模式,节能模式和防冻模式当前运行模式的手动切换最大和最小设定值限定LCD背光安装在嵌入式接线盘内,固定在中央60.3mm处RDE410的附加特点:·带8个可编程时间段的自动运行模式(仅RDE410)CX1N0000_01en01.01.2008Building Technologies
请登录后查看评论内容