

第1页 / 共12页

第2页 / 共12页

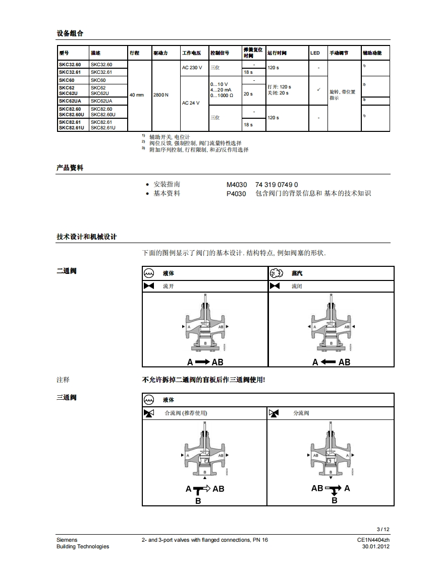
第3页 / 共12页

第4页 / 共12页

第5页 / 共12页

第6页 / 共12页

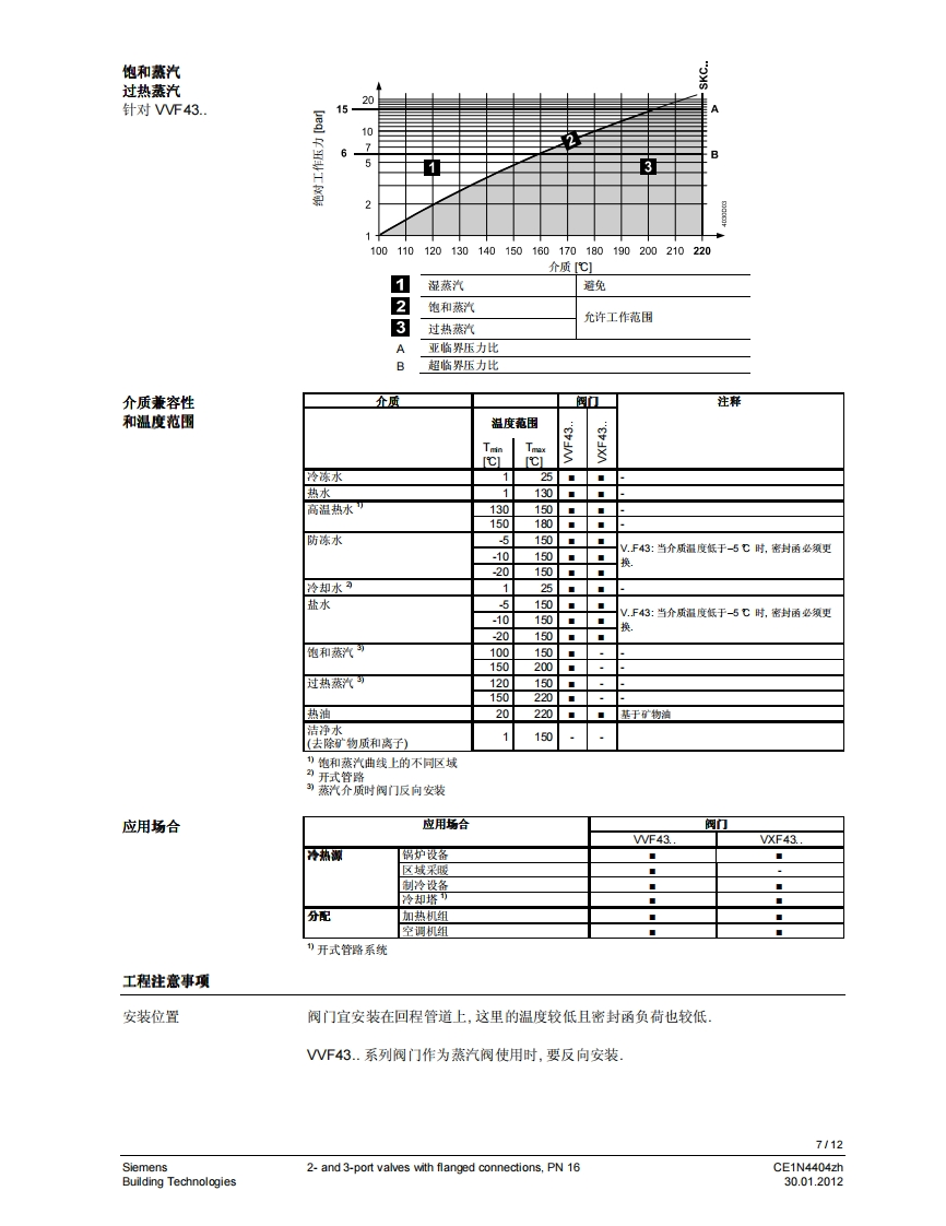
第7页 / 共12页

第8页 / 共12页

第9页 / 共12页

第10页 / 共12页
试读已结束,还剩2页,您可下载完整版后进行离线阅读
THE END
SIEMENS济南工达孔功24小时为您服务!www.cngdkj.com电话:18653198028QQ:1319331276西门子全国最大合作伙伴!VXF43.ACVATIX TM二通和三通法兰座阀,PN16VF43.VXF43..属于长行程阀门系列·介质温度在-20..220℃的高性能阀门·球墨铸铁EN-GJS-400-18-LT阀体·DN65..150·kvs50..400m3h·法兰类型21,法兰设计为B·与SKC.电动液压执行器组合用途用于锅炉,区域供热和制冷设备,冷却塔,加热机组,和空调机组中作为控制或截止阀门适用用于闭式或开式管路系统(注意避免气蚀).CN1N4404zh30.01.2012Building Technologies
请登录后查看评论内容