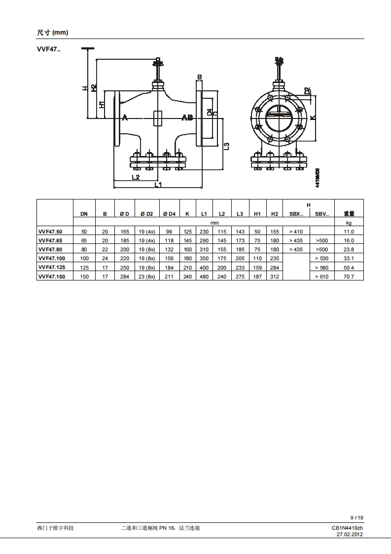
西门子温控阀VVF47–VXF47找手册网29天前发布关注私信1.03MB10页029西门子温控阀VVF47–VXF47此内容为付费资源,请付费后查看¥19¥21黄金会员免费钻石会员免费登录购买付费资源 第1页 / 共10页 第2页 / 共10页 第3页 / 共10页 第4页 / 共10页 第5页 / 共10页 第6页 / 共10页 第7页 / 共10页 第8页 / 共10页 第9页 / 共10页 第10页 / 共10页 已完成全部阅读,共10页 THE END西门子 文本预览 SIEMENS济南工达孔功24小时为您服务!www.cngdkj.com电话:18653198028QQ:1319331276西门子全国最大合作伙伴!VVF47..VXF47..ACVATX TM二通和三通座阀PN16,法兰VVF47..连接VXF47..·球墨铸铁EN-GJS-250或更高材质的阀体·DN50.150·kvs40.315m3h·可以配备SBX、SBV.执行器用途用于在暖通空调系统中作为控制阀。仅适用于闭式系统。CB1N4419zh27.02.2012西门子楼宇科技 查看更多 收起部分 喜欢就支持一下吧收藏
请登录后查看评论内容