西门子温控阀VVF61—

西门子温控阀VVF61----找手册网
西门子温控阀VVF61—
此内容为付费资源,请付费后查看
1921
付费资源

第1页 / 共7页

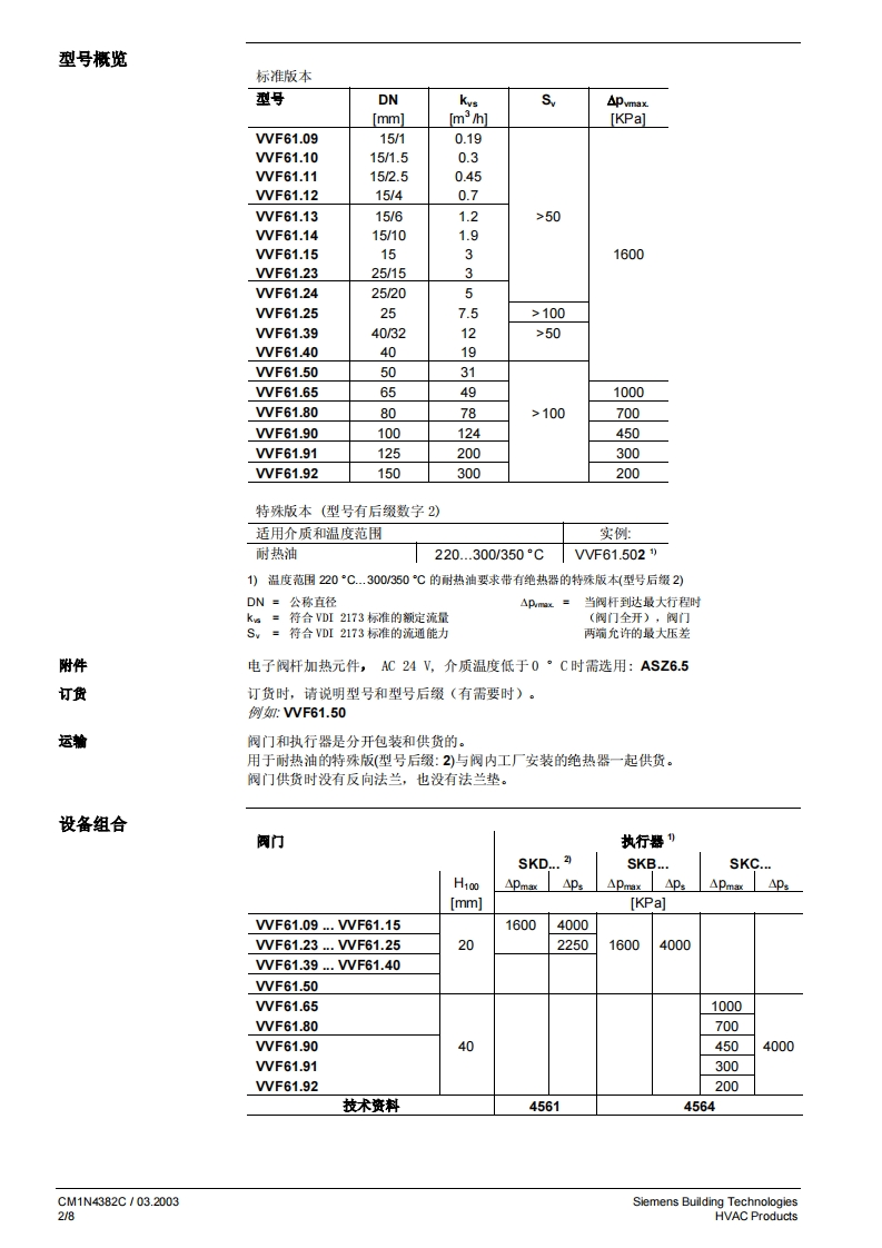
第2页 / 共7页

第3页 / 共7页

第4页 / 共7页

第5页 / 共7页

第6页 / 共7页

第7页 / 共7页
已完成全部阅读,共7
THE END
SIEMENS二通阀法兰连接,PN40VVF61...DN15和DN25DN40..DN150法兰连接二通阀,耐压等级PN40。公称直径:DN15..DN150mm阕体DN15和DN25:铸钢GS-C25N·阀体DN40.DN150:铸钢GS-45流量:ks0.19.300mh。阀杆行程:20或40mm·可与SQX,SKD.和SKB.系列执行器配合安装用途适用于区域供热系统、暖通空调系统中作为符合DN32730标准的控制阀或安全截止阀。适用于开式系统和闭式系统。介质采用标准密封的标准阀门适用于以下介质:冷却水冷冻水低温热水高温热水防冻水)购-25..+220C标准蒸汽过热蒸气DN15和25(最高达到17 bar abs.)DN40..150(最高达到11 bar abs.)盐水)刘带绝热器和采用特殊密封的特殊阀门适用于以下介质:耐热油220..300/350C9制冷剂不适用)1)介质温度低于0°C时:需要ASZ6.5阀杆加热元件来防止密封套内的阀杆冻结。2)防冻水和盐水:最低-10°C符合DN3158标准(压力容器I)或最低-25°C符合DN3158标准(压力容器II)3)对于220.300/350℃耐热油的应用,在阀与执行器之间要求有绝热器.根据阀体材料所允许的最高温度在“注意事项”和“工程注意事项”中有所说明。4)对于这些应用,应使用带电磁式执行器的特制制冷剂阀,请参见技术资料4700.…4799Siemens Building TechnologiesCM1N4382C/03.2003HVAC Products1/8
喜欢就支持一下吧
评论 抢沙发

请登录后发表评论

    请登录后查看评论内容