西门子空气质量传感器QPM2160—

西门子空气质量传感器QPM2160----找手册网
西门子空气质量传感器QPM2160—
此内容为付费资源,请付费后查看
1921
付费资源

第1页 / 共8页

第2页 / 共8页

第3页 / 共8页

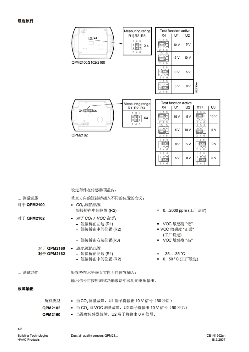
第4页 / 共8页

第5页 / 共8页

第6页 / 共8页

第7页 / 共8页

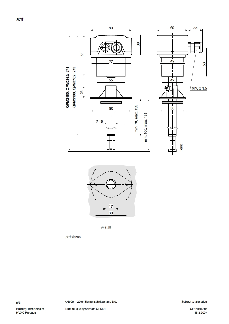
第8页 / 共8页
已完成全部阅读,共8
THE END
SIEMENS济南工达孔功24小时为您服务!www.cngdkj.com电话:18653198028QQ:1319331276西门们子全国最大合作伙伴!EMENSSIEMENSQPM2100.QPM2102QPM2160.QPM2162风道空气质量传感器QPM21...。免维护C02传感原件和基于热敏二氧化锡半导体二极管的VOC)传感器(取决于不同型号是否含有VOC功能)·C02和温度以及C02、湿度、温度一体化传感器·无重新标定要求·工作电压AC24V或DC13.5.35V·信号输出DC010V1)VOC=挥发性有机化合物(通常称为混合气体)用途在通风和空调应用中用以提高房间舒适度并可以采用按需控制的通风,优化能耗。传感器可测到以下参数:·CO,浓度·指示风道内燃烧气体和异味气味(香烟、人体气味、材料气味)的V0C浓度·风道内空气湿度·风道内空气的温度QPM21.传感器可用在:·风道给风或排风传感器控制·信号变送到楼控系统或显示单元典型应用:·CO2和VOC浓度采集:适用于会客厅、休闲室、展览厅、饭店、餐厅、超市、体育馆、商店、电影院和会议室等。·CO2浓度采集:适用于带有通风工艺的房间,如人员变化的禁烟场合,例如博物馆、剧院、电影院、礼堂、办公室和学校等。注意剖·QPM21.传感器不能被用作安全设备,例如烟气报警装置!·传感器不能用于室外州CE1N1962cnBuilding Technologies18.3.2007HVAC Products
喜欢就支持一下吧
评论 抢沙发

请登录后发表评论

    请登录后查看评论内容