

第1页 / 共12页

第2页 / 共12页

第3页 / 共12页

第4页 / 共12页

第5页 / 共12页

第6页 / 共12页

第7页 / 共12页

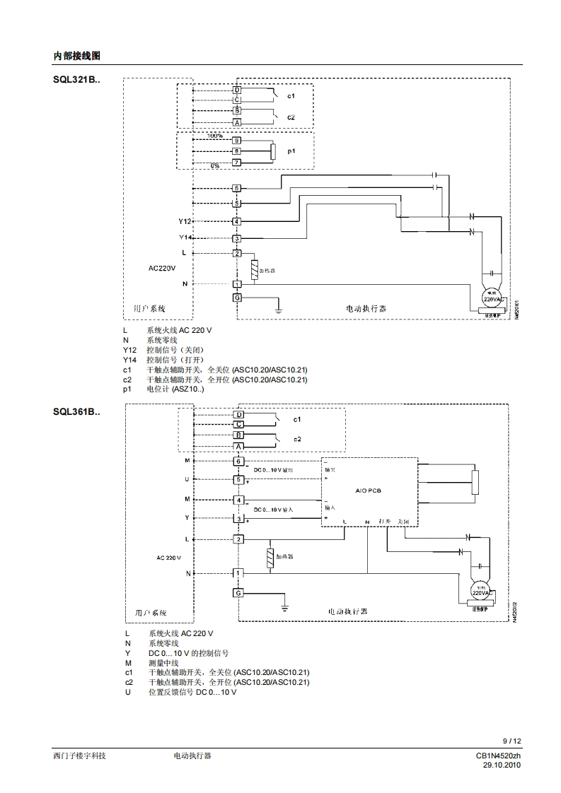
第8页 / 共12页

第9页 / 共12页

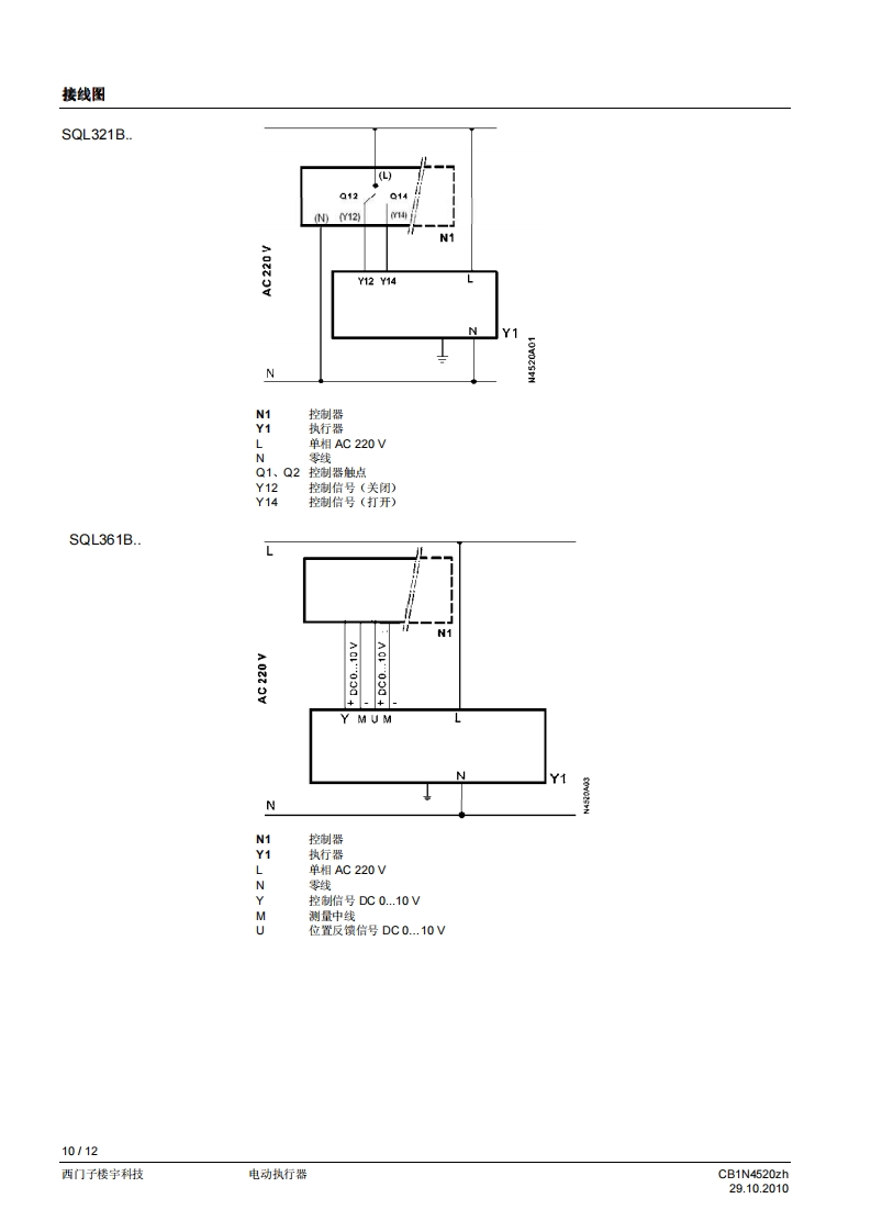
第10页 / 共12页
试读已结束,还剩2页,您可下载完整版后进行离线阅读
THE END
SIEMENS济南工达孔功24小时为您服务!www.cngdkj.com电话:18653198028QQ:1319331276西门子全国最大合作伙伴!ACVATIXTM电动执行器SQL321B..SQL361B..用于VKF42.蝶阀·SQL321B.工作电压AC220V、2位(SPDT)控制信号·SQL361B.工作电压AC220V、DC0.10V控制信号·可选10002电位计和辅助开关·标称旋转角度90°·具有手轮和阀位指示·内置防凝加热元件·底法兰符合标准ENIS05211用途在暖通空调系统中用于驱动VKF42.系列蝶阀,作为截止阀和控制阀。CB1N4520zh29.10.2010西门子楼宇科技
请登录后查看评论内容