陕汽重卡Shacman-X5000-large-scale-integration-diagram

陕汽重卡Shacman-X5000-large-scale-integration-diagram-找手册网
陕汽重卡Shacman-X5000-large-scale-integration-diagram
此内容为付费资源,请付费后查看
2931
立即购买
您当前未登录!建议登陆后购买,可保存购买订单
付费资源

第1页 / 共1页
已完成全部阅读,共1
THE END
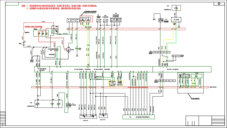
可闭:1,更球整车和发状其有3处娃损:发制-整年根口,好根3端:发根机体拂肤点,2,线都分为小集成发根本体都分线珠,线器分整车发根线来。器卤品A%端四克红中骑5星5尚率品图到
喜欢就支持一下吧
评论 抢沙发

请登录后发表评论

    请登录后查看评论内容