

第1页 / 共18页

第2页 / 共18页

第3页 / 共18页

第4页 / 共18页

第5页 / 共18页

第6页 / 共18页

第7页 / 共18页

第8页 / 共18页

第9页 / 共18页

第10页 / 共18页
试读已结束,还剩8页,您可下载完整版后进行离线阅读
THE END
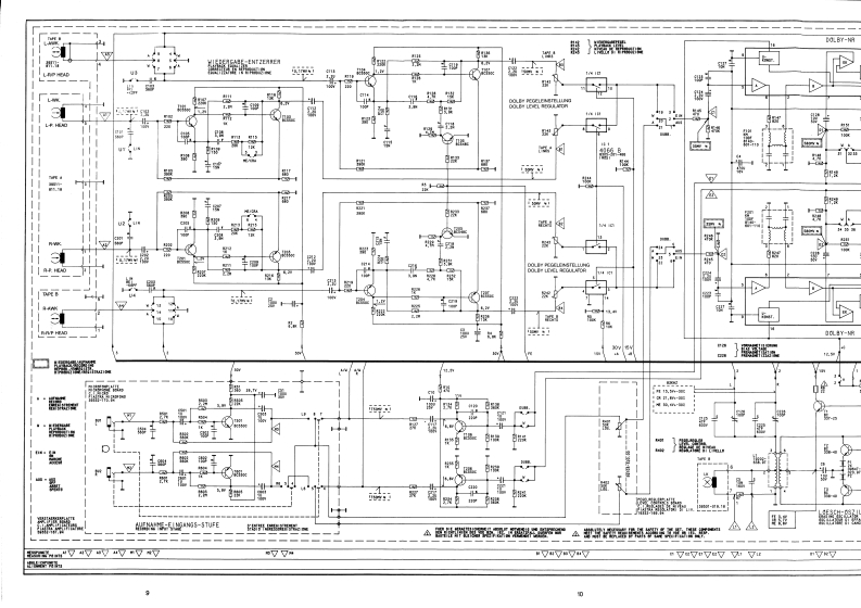
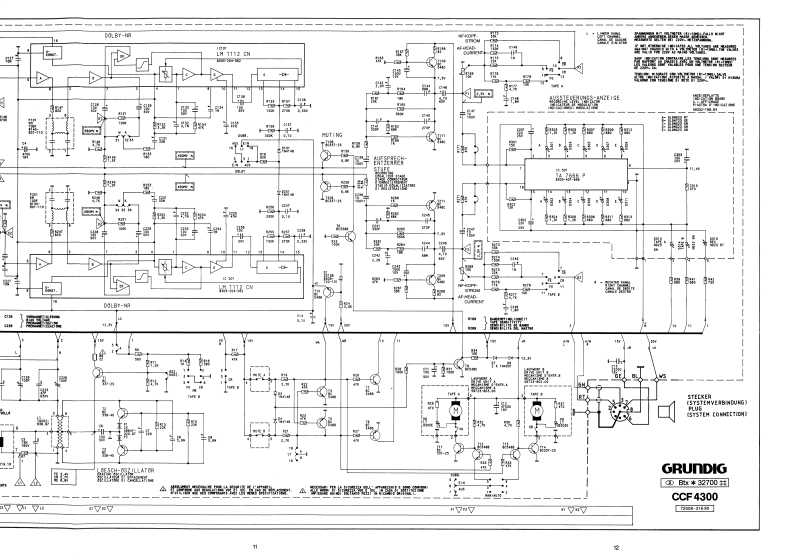
GRUNDIGSERVICE MANUAL⊙hx*32700开12/86CCF 4300g。⑩G®InhaltsverzeichnisContentsMechanischer TeilSeiteMechanical sectionPageAllgemeines zum mechanischen Teil2General information on the mechanical section1.Gehause abnehmen21.Opening cabinet2.Laufwerke ausbauen32.Disassembly of drive mechanisms33.Riemenwechsel33.Renewing belts34.Motor wechseln44.Replacing motor45.Schwungrad wechseln5.Replacing flywheel46.Andruckrolle wechsein56.Replacing pinch roller57.Aufwickelmoment bei Start57.Winding torque at start8.Gleichlauf58.Synchronism59.Einstellung der Dubbingtaste69.Adjusting dubbing button10.Kopfwechsel610.Replacing head6Elektrischer TellElectrical SectionAllgemeines zum elektrischen Teil6 und 7General information on the electrical section6 and 71.Betriebsspannungen1.Apply the operating voltage2.Stromaufnahme72.Current consumption73.Umspulzeit73.Tape winding time74.Bandgeschwindigkeit74.Adjusting the tape speed5.Kopfspalt-Senkrechtstellung85.Vertical adjustment of head86.Entzerrungszeitkonstanten86.Equalizing time constants8Zeichenerklarung8Legend8Schaltbild9..12Circuit diagram9.-12Druckplattenabbildungen13..15lllustration of printed plats13..157....14 Elektrische Messungen und Anforderungen16,18und207....14 Measurement and requirement7.19and20Ersatzteillisten21..24List of Spare-Parts21.24
请登录后查看评论内容