Grundig-CCF4300MKII-tape-电气原理图手册

Grundig-CCF4300MKII-tape-电气原理图手册-找手册网
Grundig-CCF4300MKII-tape-电气原理图手册
此内容为付费资源,请付费后查看
1921
立即购买
您当前未登录!建议登陆后购买,可保存购买订单
付费资源

第1页 / 共5页

第2页 / 共5页

第3页 / 共5页

第4页 / 共5页

第5页 / 共5页
已完成全部阅读,共5
THE END
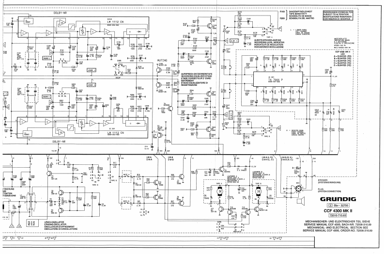
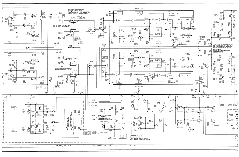
DCBGF400MK目odr dan GRiND-arkarV4200V4200Rooover R 4200/R 4200 MK ll or a GAUNDI3-AmpiTer V 4200EDEHO-EVF2ERPER200MK I.A specil connecting eablo is providod lorpower and AFdb冰CCF4g0MK目hit ainp2 ea Vrtrd山ngaignal supply af the taps deck Gtl 4300 MC I.kabel for de Stemearsergung und das NF.Bignol.Schahon Sio donPrior的p0rgh传s碳o care thurt the cabla i discern0 cad fiomVerstidonr bn.Receter ein.irt nuch dos CCF 4300 MKIl bonrios.the Ampl fer er Roceivor.t健Bai mochanischan Artoion it dataul 2u achn.dad dia Wtin-+AA0M10函±1%+B15万2354±10%+0525nAt1-,olagas in女t5-ina,c山r女t四ppa恤eha,ecown电,hose i sino—当rocongles are ap4ca物o he playback mo南.a子a品inLetlors and aurrbert in了utn好sfr to i psirts n ho ceat果8出8▣a口嘉疆图巴4口路品TTIN IE0D-需图"平mEt曰.湘7测口-a物r都密盈w平E B E959恐三Ψ图品nw端“鼎经w招4品器花…“常mVaW馬}器黑
喜欢就支持一下吧
评论 抢沙发

请登录后发表评论

    请登录后查看评论内容