

第1页 / 共40页

第2页 / 共40页

第3页 / 共40页

第4页 / 共40页

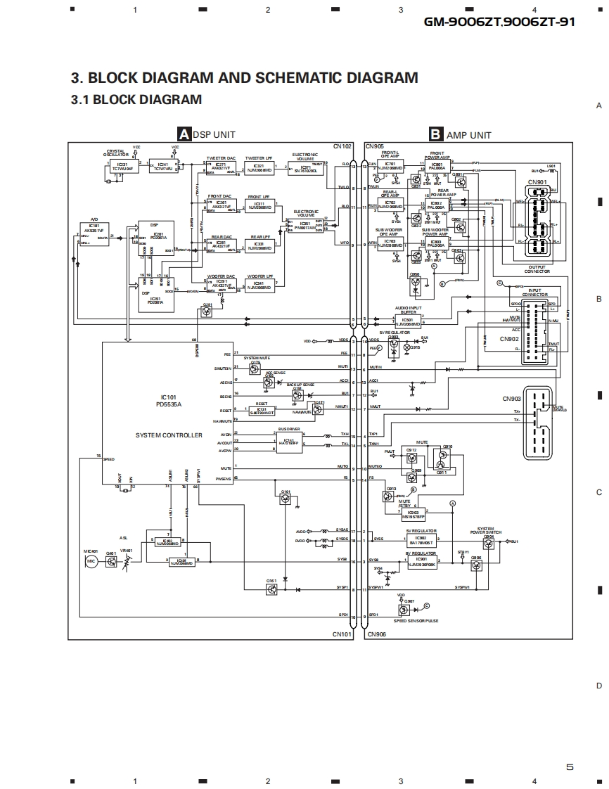
第5页 / 共40页

第6页 / 共40页

第7页 / 共40页

第8页 / 共40页

第9页 / 共40页

第10页 / 共40页
试读已结束,还剩30页,您可下载完整版后进行离线阅读
THE END
PloneerTOYOTAServiceManualORDER NO.CRT2500三sLB4E▣AUDIO SYSTEMPOWER AMPLIFIERVEHICLEDESTINATIONPRODUCED AFTERTOYOTA PART No.ID No.PIONEER MODEL No.LEXUS LS430North America,Europe,August 200086280-50230GM-9006ZT/EMiddle East,Overseas86280-50260GM-9006ZT-91/EManufactured for TOYOTAby PIONEER CORPORATIONPUB.NO.CRT2500
请登录后查看评论内容