sansuiau317servman维修电气原理图手册

sansuiau317servman维修电气原理图手册-找手册网
sansuiau317servman维修电气原理图手册
此内容为付费资源,请付费后查看
1921
立即购买
您当前未登录!建议登陆后购买,可保存购买订单
付费资源

第1页 / 共8页

第2页 / 共8页

第3页 / 共8页

第4页 / 共8页

第5页 / 共8页

第6页 / 共8页

第7页 / 共8页

第8页 / 共8页
已完成全部阅读,共8
THE END
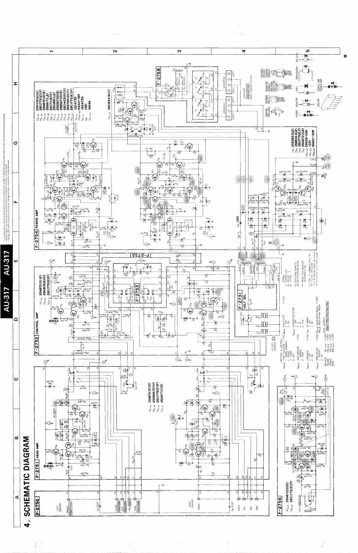
AU-317SERVICE MANUALSPECIFICATIONSINTEGRATED STEREO AMPLIFIER50 watts per channcl into 8 ohmsSANSUI AU-317oad impedower bandwidthdistortionTotal harmonic distortioness than 0.03%at or below rated min.RMS power oulputSMPTE method)ess than 003%02a-0,2dB(201o20,000npuonadimpelnetotatedpweroeoPHONOharmonic distortion)POWER AMP IN2150mvPRE OUTChannel separation (1 kHz at rated power outputPHONOhetter than 65 dBAUXbetter than 73 dBHum and noise (short crcait,A-network]PHONO77 dBAUX1o0 dBCentrolsBASS±11dB50H2jTREBLE410d815kHzPHONO SUBSONIC--3dB(13 Hz).6 dB/ocLOUDNEVOLUME3dB亿KHzj.6dBa:30dB】dB at 10 kHzPowerFor US A&CanadaPower consumptionMaximum consomption.,,,365w2t5215tt5265VADimensions,430mm06-56W110m4-38”H340mm1338Dweight10kg(243b3esign andSansuiSANSUI ELECTRIC CO.,LTD.
喜欢就支持一下吧
评论 抢沙发

请登录后发表评论

    请登录后查看评论内容