

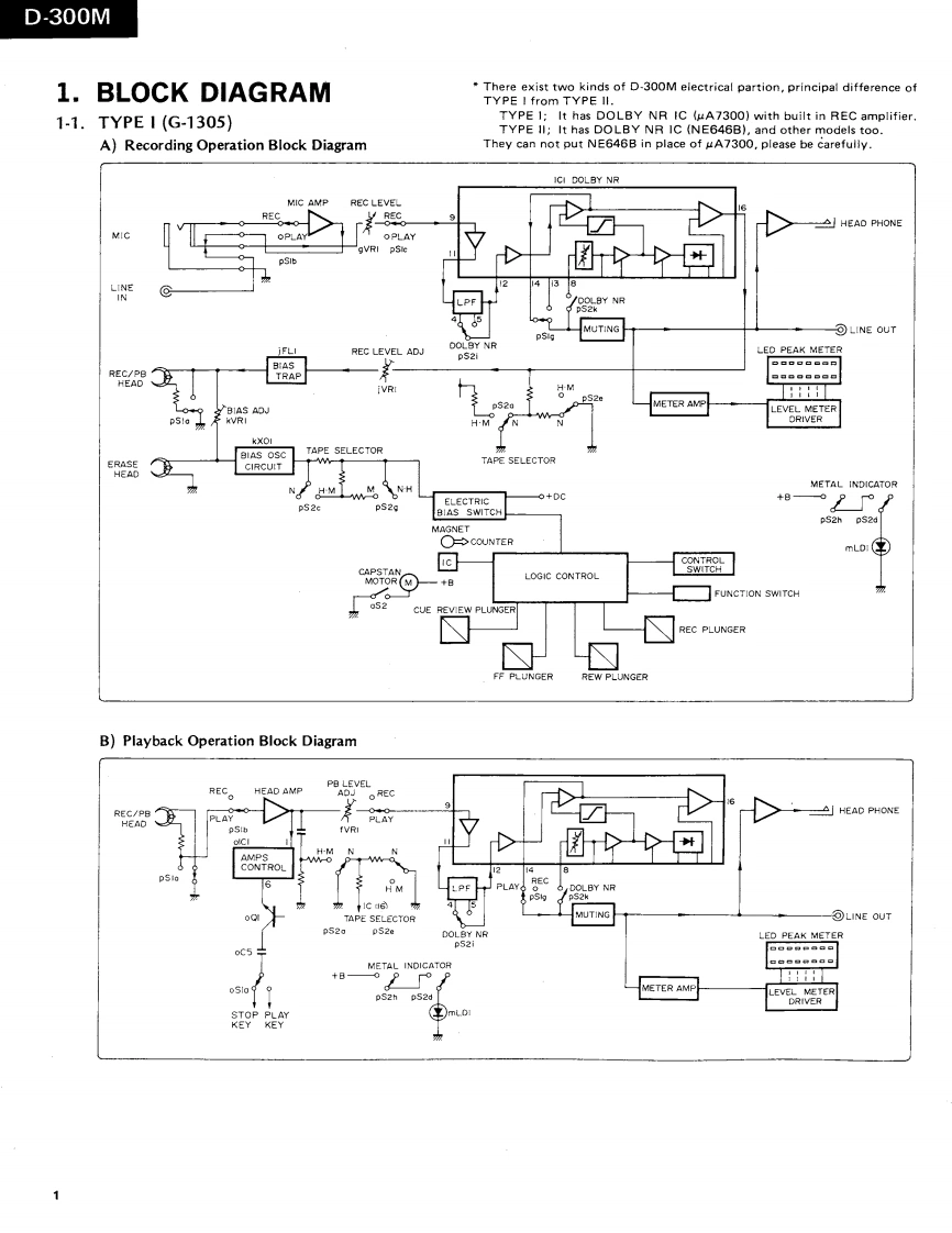
第1页 / 共16页

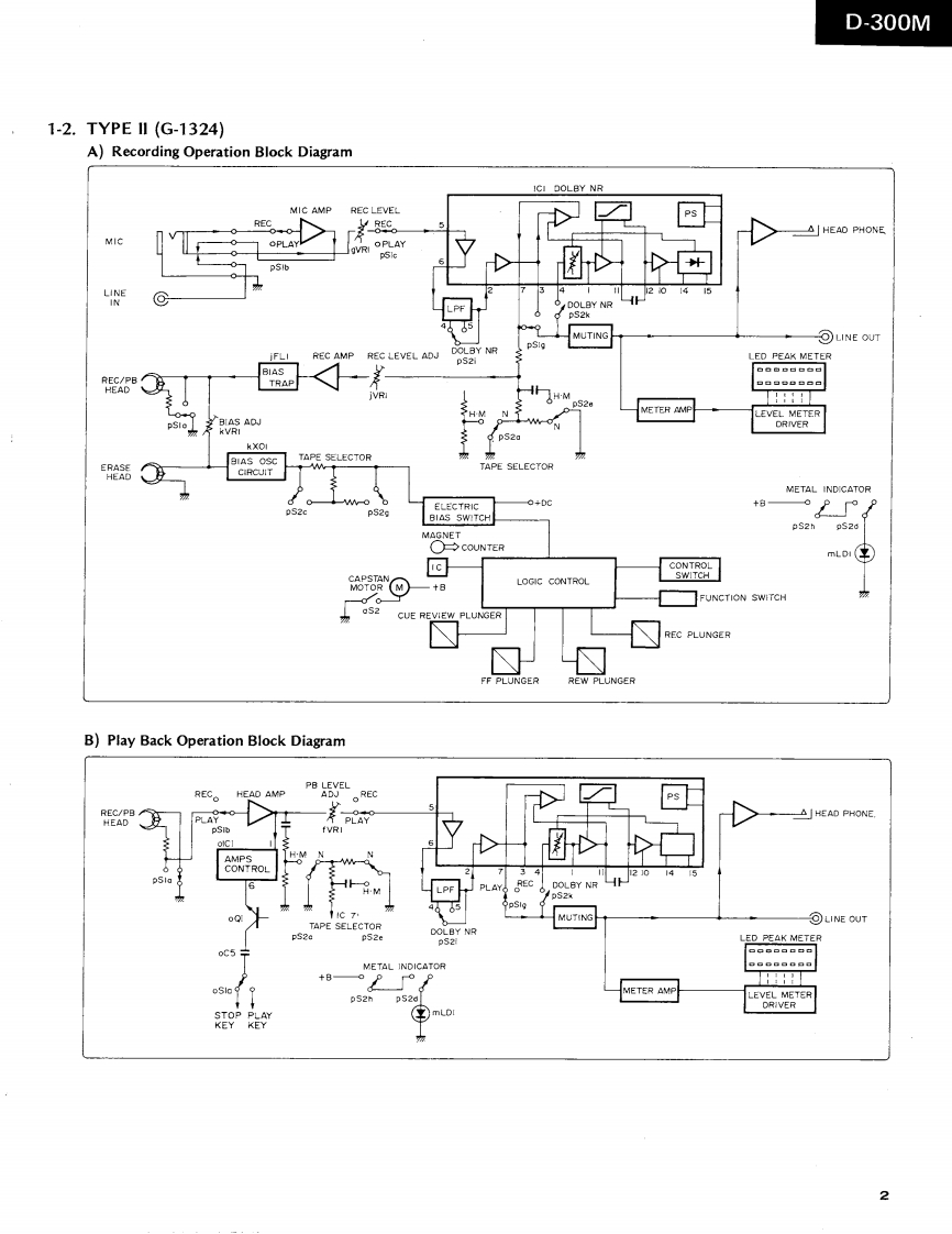
第2页 / 共16页

第3页 / 共16页

第4页 / 共16页

第5页 / 共16页

第6页 / 共16页

第7页 / 共16页

第8页 / 共16页

第9页 / 共16页

第10页 / 共16页
试读已结束,还剩6页,您可下载完整版后进行离线阅读
THE END
D-300MSERVICE MANUAL●SPECIFICATIONSTrack4-Track (2-Channel Stereo)Tape speed,,,,·4.8cm/sec.(1-7/8ips)MotorElectronically ControlledSTEREO CASSETTE TAPE DECKDC MotorWow and flutterwithin 0.05 WRMSMETAL-TAPE-COMPATIBLE/HIGH-B HEADFast wind timeapproximately 85 seconds(C-60)Frequency response (Record/Playback)SANSUI D-300MNormal Tape (LH)(-20 VU)20to15.,000Hz(30to14,000Hz±3dB)】Metal Tape(-20 VU)········,·。,20to18,000Hz(30to17,000Hz±3dB)(0VU)30to13,000Hz±3dBSignal to noise ratio (Record/Playback)Metal Tape (without Dolby Noise Reduction Effect).......better than 58 dB (weighted)(With Dolby Noise Reduction)better than 68 dB (above 5 kHz)●●●田Erasure factor (Metal Tape)··,,,,,··,,,more than65dBat1,000HzInput sensitivity and impedance(O VU,1,000 Hz)M1C.........0.4mV2002~5k2LINE IN (REC)...70 mV/47 ksOutput level(0 VU,1,000 Hz)LINE OUT (PLAY).400 mVPHONES......30mVPower requirementsPower voltage.,,,110~120,220~240V(50/60Hz)For U.S.A.and Canada120V(60Hz)Power consumption.38 WDimensions.430mm(16-15/16)W132mm(5-1/4"H238mm(9-3/8)DWeight····5.1 kg (11.2 Ibs)net5.8 kg (12.7 Ibs)packed*Design and specifications subject to changeswithout notice for improvements.SansuiSANSUI ELECTRIC CO.,LTD.
请登录后查看评论内容