

第1页 / 共27页

第2页 / 共27页

第3页 / 共27页

第4页 / 共27页

第5页 / 共27页

第6页 / 共27页

第7页 / 共27页

第8页 / 共27页

第9页 / 共27页

第10页 / 共27页
试读已结束,还剩17页,您可下载完整版后进行离线阅读
THE END
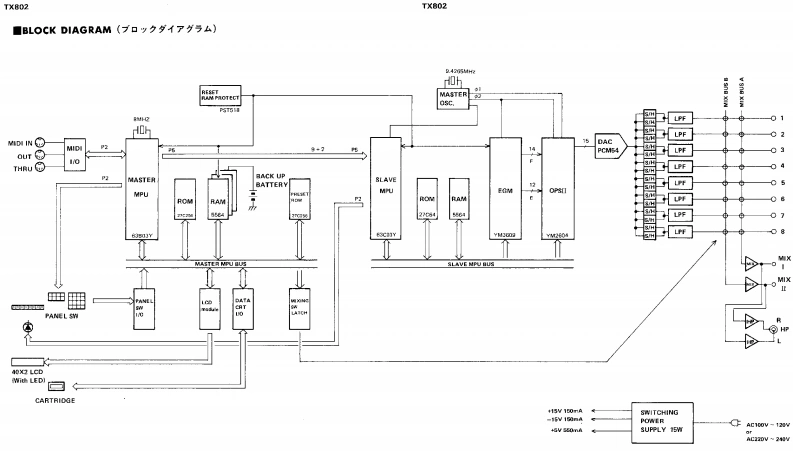
T392FM TONE GENERATOR莫宫▣己SERVICE MANUALYAMAHA■CONTENTS(目次)SPECIFICATIONS(仕樣).,....··.,·····.·,········2PANEL LAYOUT(パ*儿了ヴ卜).:·,,··········2BLOCK DIAGRAM(ブ口y夕夕个了少ラ么)MEMORY CONFIGURATION(モ刂一構成).······,····,,,··6BANK A/B VOICE LIST(ブ)乜y卜ポ1又.MIDI IMPLEMENTATION CHART9LSI DATA TABLE(LSI端子機能表).10IC BLOCK DIAGRAM(ICブ口y夕☒).,.12CIRCUIT BOARDS(>一卜基板☒),·14TEST PROGRAM(テㄡ卜ブ口夕ラA)20PARTS LIST(N-y)又卜)SINCE I887米YAMAHA006760NIPPON GAKKI CO.,LTD.HAMAMATSU.JAPAN2.3K-452 Printed in Japan '87.6
请登录后查看评论内容