

第1页 / 共28页

第2页 / 共28页

第3页 / 共28页

第4页 / 共28页

第5页 / 共28页

第6页 / 共28页

第7页 / 共28页

第8页 / 共28页

第9页 / 共28页

第10页 / 共28页
试读已结束,还剩18页,您可下载完整版后进行离线阅读
THE END
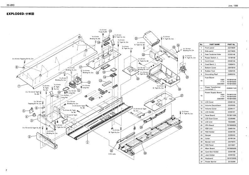
Jur依.19880-20SERVICE NOTESWTERNAL MEMORY12远First EditionTimbers128Preset TonesProgrammabla Tones6468n门s51rm也C80SPECIFICATIONS/仕樣Patters -.....32产ogtammable PatiarsKEYBOARDTUNEMASTER T几UNE士0cmtnsimaltaneeusly recordable .FINE TUNEMaodmum number of nonesPITCH MOCULATIONLFO土1176ntnto be reco时in aash Riythm Petern1112到ENV上5000wn509由EagI±2400Gc0nsSequancer SectionMaemuet fumtbo af notes tecordablepp四E.56000lesENV TIMEMTCH TI-T44ms-179TVF TI-T44ms-24TVA TI -14MEMOIY CAND (M-2CGD.M-256D4m-2212刻机马TL4m5一17sTimsbres12刻OUTPUTAUDIO+2s8m-H4E810ddm月Mthm Sotup1s6POWER CONSUMPTION .....2,20Wn0DIMENSIONS114wx3011b1x10Hmm22-15V1G°g11-g°4-116”ltythm TrackOne songWEGHT......Memary Capacity0004.3新0000t530f间DatalLCD Cover1220451424Powar Swltch WK2A44 6A/250VSocket MIDI3-N5 ItripletXButton singlew131491d13M291间LO Dust Cowr1229两网刚Cod Siol2224546闭222001图ckKs214010113449145LCD Unit LM16280415022065XButon dudKnob-Uutton single1224754591224悟150122475658Button dualEscutchoon2247586a142722253231-XButton dual白F122495567川222451711Pot EWA-NAOX10814 IVCLUMEILRubber Foct IS-08(12359105)(13359355AC CORDa821-5012113449146Pot.EWA-NFEX10B14 (VALUEI7245G17113到g0刃220WFront Panel1222158290240E:225115DISASSEMBLING/分解手顺L.Remove screws】ASide Panal R--XB.mon col (2221682612.月Bm0vgCr9但】XB元0ndl1224755力224755前DD Panel1222158a-XButton singleBender Unit PB-A0101 247623275970川XSwih SKHHAK 113169579050A-12汤s131664川-FDO UnitG22405141】n5 mm Tapping Te.CRolandPrinted in Japan BA-2 (CRI
请登录后查看评论内容