

第1页 / 共37页

第2页 / 共37页

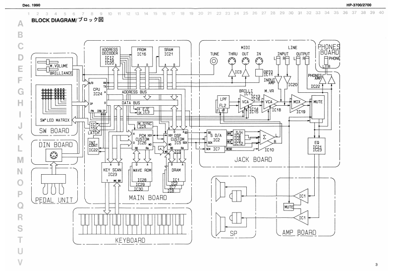
第3页 / 共37页

第4页 / 共37页

第5页 / 共37页

第6页 / 共37页

第7页 / 共37页

第8页 / 共37页

第9页 / 共37页

第10页 / 共37页
试读已结束,还剩27页,您可下载完整版后进行离线阅读
THE END
Dec.1990HP.37002700HP3700/2700SERVICE NOTESCONTENTS/目次First EditionRoland Digital PianoSPECIFICATIONS/仕樣学wef中0A特名07。he Tonn电1e0且oh》0w”Sette TumMene Tuning+的hw Lcel+Peaed.TiRU we nae=一11达et域25g236”全600420dant K5-3708HP-2700 GENERAL VIEW/摄银☒Part Name andPart hio.Side Parel L21124736③⑦Lid Bind2202550223⑤n直代过H知2220562①Maic Stasser2213542822215693赫应陷成21584静DTop Pandl21115202Side Panel R2112574d2223527Bomom Baard2113523TNF袖222t8520Karvtord SK668N70742280004转卡转58书RolandPrinted in Jepan Al-2 (CP)1
请登录后查看评论内容