

第1页 / 共24页

第2页 / 共24页

第3页 / 共24页

第4页 / 共24页

第5页 / 共24页

第6页 / 共24页

第7页 / 共24页

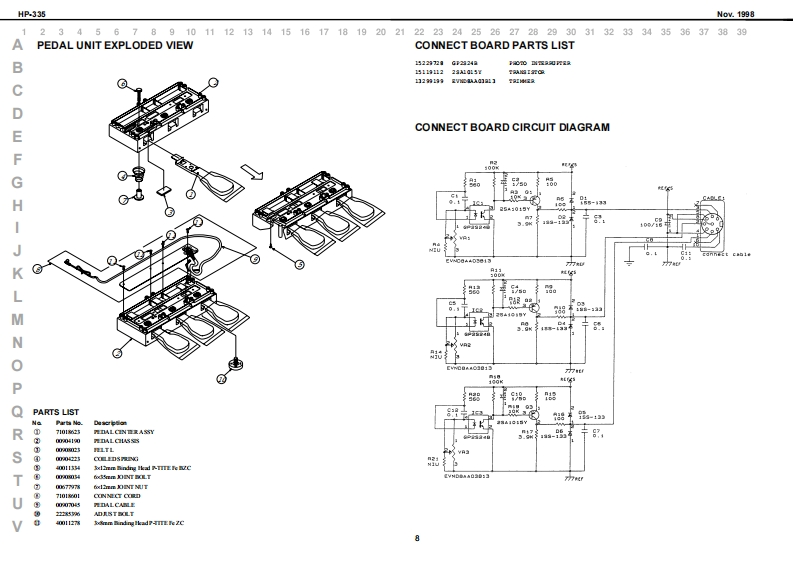
第8页 / 共24页

第9页 / 共24页

第10页 / 共24页
试读已结束,还剩14页,您可下载完整版后进行离线阅读
THE END
HP.335NoY.1998HP.335SERVICE NOTESSPECIFICATIONSROLAND PIANO DIGITALFirst EditionHP 335 Roland Digital PianoIssued by RJAayaa时TABLE OF CONTENTSPageGENERALMEWSPECFICATIONSLOCATONOF CO服asPANEL LAYOUTPARTS山ST2dEXLODEOMEWPARTS USTELODEDMEWPARTS USTSTA0P4RIS山ST08-09KS-305 STAND EXPLOCED MEW(STAND EULOOED MEWPARTS USTPEDAL UNT EXPLOCED MEWCONNECT BOARD PARTS USTCONNECT BOARD CROUTDGRAMSTA0ASS☒Y08-30KEYBOARD PARTS UISTKEB00SASs交eLYKEYBOARD PA-4A88-C2 CROUIT BOARDKEYBOARD PA-4A88-C CROUT DIGRAM2:3,44mTEST MOCEBLOCKOIGRAMCROUT BOARD OMAINCROUTOAGRAM OVAN)17CROUT BOARD (PANELL)CROUTOAGRAM OPANEL LCROUTBOARD OPANELR)CROUTOAGRAM A且陷21CROUT BOARD (FRONT JACK ANALOG JNLET2CROUT OAGRAM (FRONTJACK ANALOG.INLET)国CROUTBOARD CCROUT OAGRAM OC)24GENERAL VIEW二二wm3一E■師冠用Copyright 1998 by ROLAND CORPORATION1Roland17059的14Primed in Jpan ACE0 (DP 1
请登录后查看评论内容