Roland-Boss-DR-110-维修手册含电器原理图-(vintage)

Roland-Boss-DR-110-维修手册含电器原理图-(vintage)-找手册网
Roland-Boss-DR-110-维修手册含电器原理图-(vintage)
此内容为付费资源,请付费后查看
1921
立即购买
您当前未登录!建议登陆后购买,可保存购买订单
付费资源

第1页 / 共9页

第2页 / 共9页

第3页 / 共9页

第4页 / 共9页

第5页 / 共9页

第6页 / 共9页

第7页 / 共9页

第8页 / 共9页

第9页 / 共9页
已完成全部阅读,共9
THE END
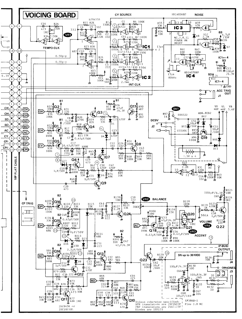
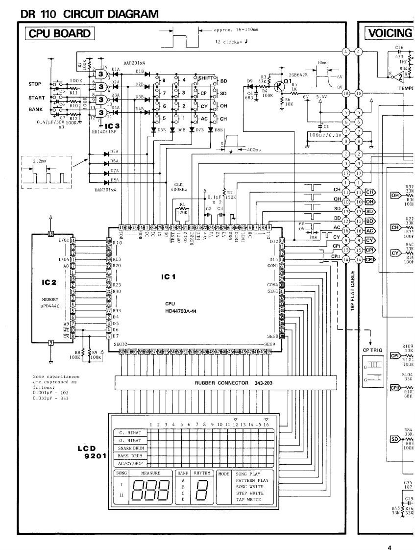
Roland Boss DR-110 Dr Rhythm GraphicSERVICE MANUAL DOCUMENTSFrom the DR-110 Information Homepage@http://members.aol.com/leviathant/dr110.htmlSince you've taken the time to read this,I'd much appreciate itthat if you do some kind of nifty (or even minimal)modificationto the DR-110,please email me and let me know what you've done,and if you'd be so kind to provide schemes and/or instructions asa sort of 'thanks for letting me have the DR-110 schemes Matt'kind of gesture.Please send em to levithnt@nfdc.net and let meknow if you would mind if I posted them publicly on the same website that these schemes are available from.Enjoy,happy modding!Oh,here's the parts list,painstakingly hand typed by myself.IC.15179122HD44790a44P2k x 4bit CMOS CPU with LCD driver15179305(mu)PD444C1k x 4bit static RAM15159140h0HD14006BP18-bit static shift register15159104h0HD14011BPquadruple 2-input NAND gate15159116T0TC4069UBPHex inverter15159117H0HD14070bpquadruple exclusive-OR gate15189102NJM4558DD0Pamp(pcb2291084302-UP)15199521M51501L Power amp (pcb 2291084302-UP)15199517LM-386N-1Power amp (pcb up to 2291084300)TRANSISTOR.151191252SA1115-F151196022SB647-C151196072SB642-R151291372SC2603-F1512914525C945-K (or 25C1815-BL)DIODE150191251ss-13315019530s5500g15129137RD6.8eb-2zener15019138DAN 201 diode array15019139DAP 201 diode array
喜欢就支持一下吧
评论 抢沙发

请登录后发表评论

    请登录后查看评论内容