Roland-Boss-DR-55-维修手册含电器原理图-(vintage)

Roland-Boss-DR-55-维修手册含电器原理图-(vintage)-找手册网
Roland-Boss-DR-55-维修手册含电器原理图-(vintage)
此内容为付费资源,请付费后查看
1921
立即购买
您当前未登录!建议登陆后购买,可保存购买订单
付费资源

第1页 / 共9页

第2页 / 共9页

第3页 / 共9页

第4页 / 共9页

第5页 / 共9页

第6页 / 共9页

第7页 / 共9页

第8页 / 共9页

第9页 / 共9页
已完成全部阅读,共9
THE END
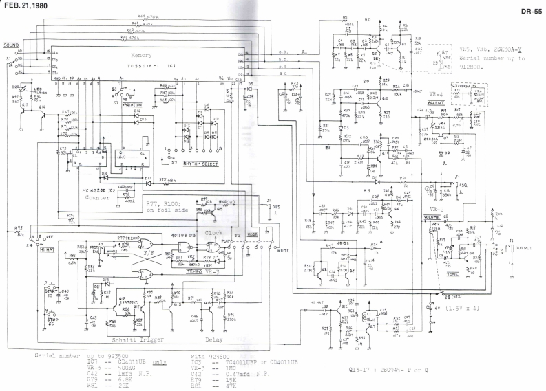
FEB.21,1980DR-55DR-55 SERVICE NOTESSPECIFICATIONSOUTPUTDBS +5 V(8 ms)CSQ +4 V (10 ms)VOICE (at OUTPUT Jack,Power source 6 V)VOLUME,TONE at max.ACCENT at min.Amplitude(Vpp)Frequency(Hz)Decay(ms)】min.avr.max.min.avr.max.min.avr.max.BD1.01.31.6146218(16ms】RS0.70.91.20.650.750.855(1330ms)>10SD0.30.40.62.7(noise)3.11.23.555(320m3)75100HH1.2355070POWER REQUIREMENTS -4.5 V-6.5 V.(Current draw 5.5 mA @6 V)DIMENSIONS211(w)x116(D)x53(H)mmWEIGHT --_-850gLED TLR-124Switch SSB02335(019-028)(001-183)Knob no.125(016-125)Knob no.78(016-078)Chassis no.291-(061-291)Jack SG-8026(009-048)Knob no.77(016-077Switch SSP-04205(001-293)Switch SQPR24-12P(001-228)For the START and STOP switches,refer to the Parts ListRolandPrinted in Japan AC21
喜欢就支持一下吧
评论 抢沙发

请登录后发表评论

    请登录后查看评论内容