

第1页 / 共48页

第2页 / 共48页

第3页 / 共48页

第4页 / 共48页

第5页 / 共48页

第6页 / 共48页

第7页 / 共48页

第8页 / 共48页

第9页 / 共48页

第10页 / 共48页
试读已结束,还剩38页,您可下载完整版后进行离线阅读
THE END
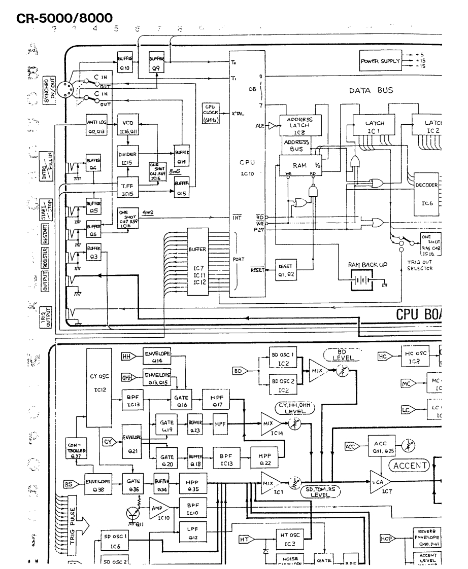
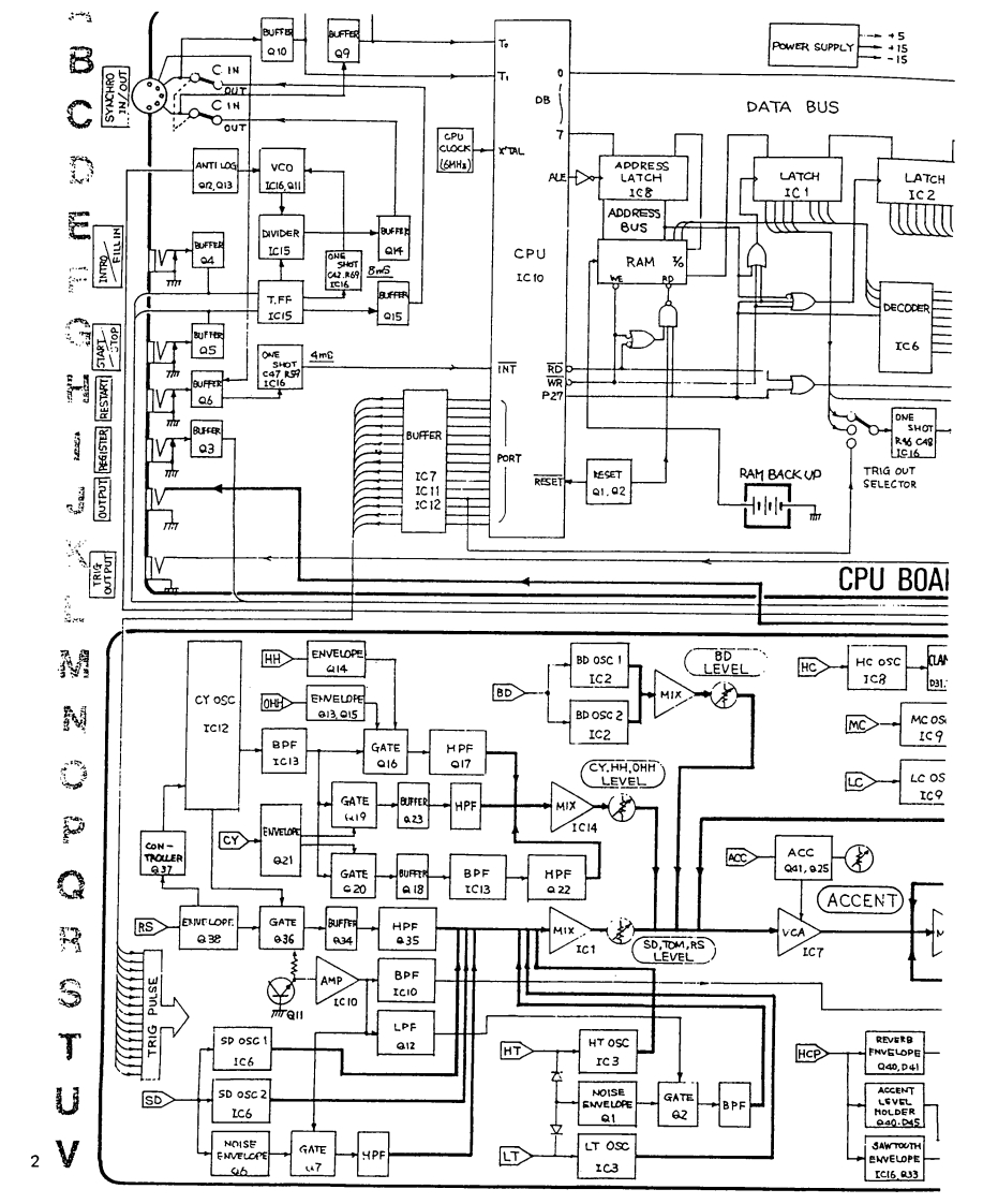
DEC.8,1981CR-5000/8000cR-5000/8000SERVICE NOTESSPECIFICATIONSFirst EditionSecond Printing (July 12,1983 E2)OUTPUT IMPEDANCE ...Less than 6K or less than 25K(Serial No.CR5000 091100-,CR8000 090900-)TRIGGER OUT .........Level:+5 positive edgeWidth:44ms(typ)@TEMPO min./12ms (typ)TEMPO max.OUTPUT (max.)..........4V p-p VOICE LEVEL max./VOLUME max./ACCENT min.(16V p-p ACCENT max.)(into100K2)】2.5V p-p@VOICE LEVEL mid./VOLUME mid./ACCENT mid.(CR8000SYNC IN+15Vma×.)SYNC OUT+15V (Tempo clock -6.7ms-71ms)POWER CONSUMPTION ..CR5000:10W,CR8000:12WDIMENSIONS.....331W)×278(D)×108(H)mmWEIGHT3.7kgNOISE0.3 nV rms(-68dB)(0d8=0.775V)(load 100k)(DIN 45405 wtd)Button**CR-5000N-523(2247052300}CR-8000ButtonButtonsN-516(2247051600)#N-520(2247052000)Button N-522SwitchButton(2247052200)N-519(2247051900)】*SM101CY15(13119806】N-517(2247051700)**SRM1018K15(13119704)¥7-segment LEDTLR312(15029125)*Display window2222030200PotEVHRRA361B14(13219229)Knob N-165(2247016500)Panel#2221027200**2221026000装N-516(2247051600)N-521(2247052100)SwitchButton N.-517(2247051700)ButtorsSM1026K15N-522(2247052200)N-518(2247051800)尸(13119508)cL-3PG2(150291121(31a471WLEDN-520(2247052000)Knob908N-128(2247012800)ALL KEYBOARD SWITCHES:KEHIO
请登录后查看评论内容