

第1页 / 共15页

第2页 / 共15页

第3页 / 共15页

第4页 / 共15页

第5页 / 共15页

第6页 / 共15页

第7页 / 共15页

第8页 / 共15页

第9页 / 共15页

第10页 / 共15页
试读已结束,还剩5页,您可下载完整版后进行离线阅读
THE END
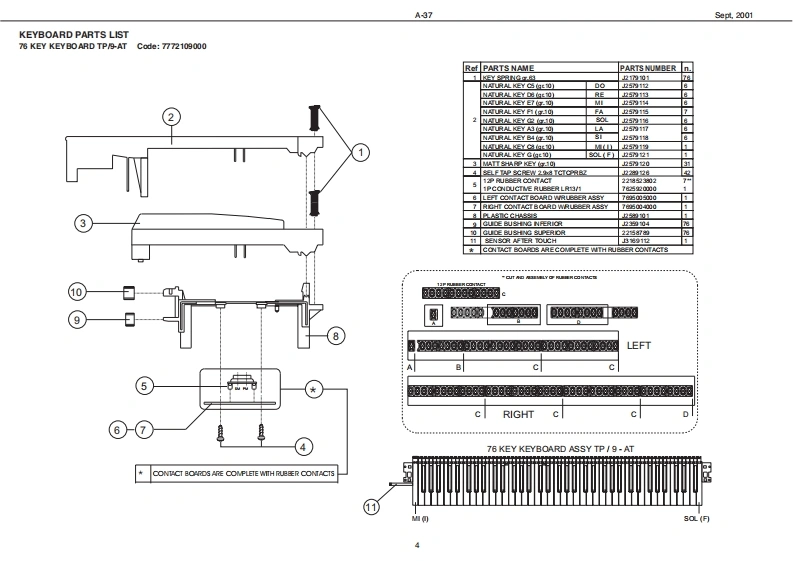
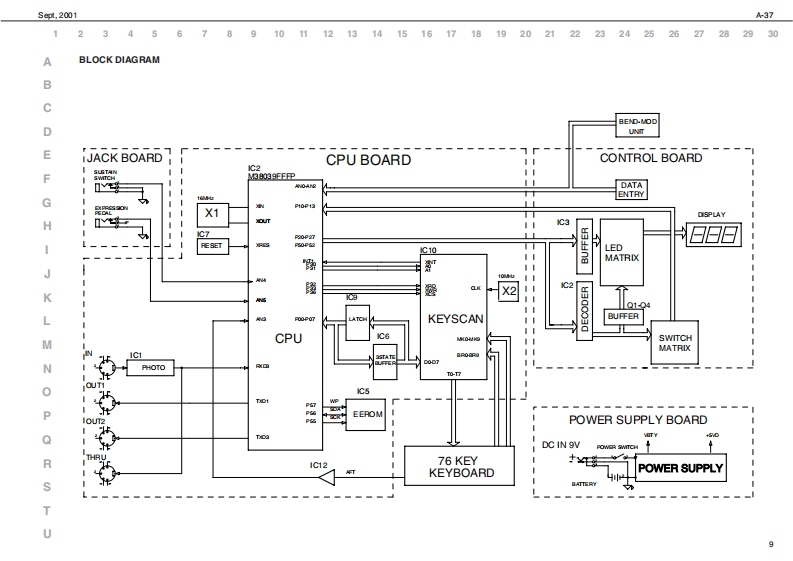
S.2001437A-37SERVICE NOTESSpecificationsFirst editioneybaard:76key velocly mruti,sih dunnel AertoucM▣I KEYB▣AH▣Daplay:x7 mgmentCONTR▣LLEHIssued by RESRealtime controler DntaEnry alider,BerenMad tionlaver,cunnal Afertoud,Hold Foot Sich clet,Foot Pedal ocketemorie 1道PdhaCompatbilty GCS,MD meaagesTABLE OF CONTENTSPage阳u甲y:C四士p女p090SPEORICATIONSLOCATION OF CONTROLS12Dimendlon 1196 (W)x270 (D)x30H0mEXPLODED VEWw77KEYBOARD PARTS LST34PARTS LSTHOW TO VSUALIZE THE SYSTEM PROGRAM VERSION56HOW TO CARRY OUT THE FACTORY SETUPHOW TO ENTERTEST MODEBLOC DIAGRAMJACK PCB ASSY CIRCUT DIAGRAMCIRCUT DIAGRAM(OPU PCB ASSY)LEFT CONTROL PC8 ASSYCIRCUIT DIAGRAM(LEFT CONTROL PCB ASSY)66900122346RIGHT CONTROL PCB ASSY ORCUIT DAGRAMRIGHT LEFT CONTACT PCB ASSY ORCUT DAGRAMDISASSEMBLYU我0 TOM CABNNET A梦Y艇MO满L延WxOs线UT快0eW15x18TCT他2CadJ2D过iCopyright 2001 by ROLAND CORPORATIONRolandSN00053K601844gPinted in ltaly (100)(AD)1
请登录后查看评论内容