

第1页 / 共20页

第2页 / 共20页

第3页 / 共20页

第4页 / 共20页

第5页 / 共20页

第6页 / 共20页

第7页 / 共20页

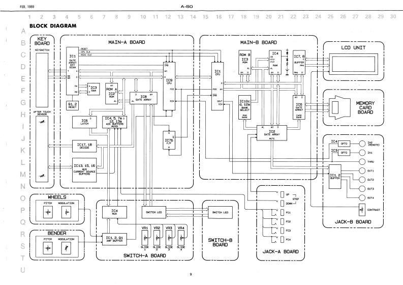
第8页 / 共20页

第9页 / 共20页

第10页 / 共20页
试读已结束,还剩10页,您可下载完整版后进行离线阅读
THE END
FEB,1989A-50A5▣SERVICE NOTESTABLE OF CONTENTS日次PageEXPLODED VEW分转园2PARTS UST1-7y天N1First EditionASSY4MIDI KEYBOARD CONTROLLERDATA SAVERLOAD于一享世-/和一TEST MODE于x毛一下6-SPECIFICATIONSDENTIFYING VERS ON NUMBER情一罗a之才小一桶用RECOMERING FACTORY DATA工保调国的罗一岁橙发BITUARURLOCK DWGRAM2口95回KFYDOARD同型10.11MWA目口hFCD手不A事精候0GWW6开0-一0山MAIN-D DOAAD手千之日泰指2405A州专2销是到专件k网MENOIY CAND DOARD巴八=力=下基性213131Mg门3q30州sSWITCH-A DOAD天千?于A梦指可每混平。TCH8巴CA。天千?乎品想括JACK-A BOAHD少物?夕A想餐1CK8C点。少年7夕B量板151POWER SUPPLY BOARD量酒举板机TER BOAHD之1人空-量板1604两T3C OATA心尹一多CHANGE INFORMATION置更重济1度05095957e22200188AC InketP.CoverCM1P列122025413222054为71的ConneatorLB33333ESE-3711△Switch11☒503到3449233WK2A4441314910-LCD CoverRD-300 Knob220516422225LCD UntBender Wheel AssyPol.X711A30TA1Pot.EWA-NP5X10814S-10 Button blackEVJ-ELA-E02814MIDI SocketJack meno22758311339476龄11127国101-82-pKB21-507422205242☑2240565图413429642(13M4927502113518Panel22215616B,h0Rolond Ao:千容工号9dmBa通Side Board R211253342115A50 ButtonBender Lever AssyTaot SwitchKeyboard 176 keylP8A0102SKHHDC22495771SK-376-OW237748213169693约ED redLED redT78304200001SLR-55VC3F1522115029222RolandPrinted in Japsn Al-2 (CRI
请登录后查看评论内容