

第1页 / 共15页

第2页 / 共15页

第3页 / 共15页

第4页 / 共15页

第5页 / 共15页

第6页 / 共15页

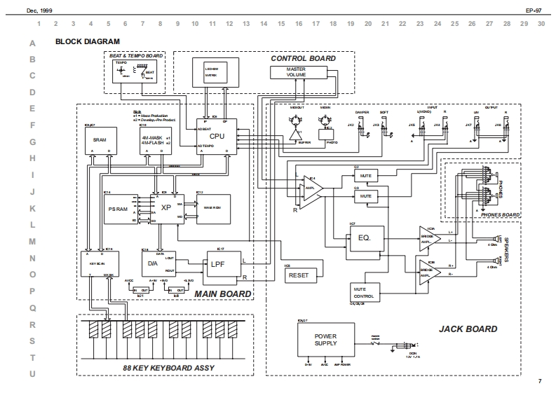
第7页 / 共15页

第8页 / 共15页

第9页 / 共15页

第10页 / 共15页
试读已结束,还剩5页,您可下载完整版后进行离线阅读
THE END
Dec,1999EP.97SPECIFICATIONep-97DIGITAL PIANOSERVICE NOTESFirst editionKEYB OARDEAKE智梦w站dya储hach-Sarifvty1em x2Issued by RESK灶YBO4 D MODECONNECTORSWhah,LayerMA之DLYPHONYhdc息na用Padal connector x 2 (Dampar,Sof)caTONESah白e山ynal,Pina或E.Pinna Wbrap hane,Harpnichord,Ogp作OWE典LLYsw偶cet人」-V2AACA年tTABLE OF CONTENTSPageMASTET店NGnhg总.1地年41s3壮=4g2地1W24SPECIFICATIONSLOCATION OF CONTROLST我ANSPOSEDMENSIONSEXPLODED VEWy Kanapons传5 mfane迪3边x3若到xs州mm (thcol ma止an过)EF性CB3x3花到x7州mmEYBOARD P纸T3LSTWEICHTSSTAND EXPLODED VEW KS-EP.97w0制PARTS LIST56Chorua (O/ong125 Kg.(oithoct mooe aand)21,2 Kg.(ih moak sand)BLOCK DIAGRAM7M上TRONOMEPHONES PCB ASSY CRCUIT DAGRAMe844ACA由a曰PJACK PCB ASSYobms:s如aan立】ptOwnar'a MancalORCUIT DAGRAM JAOK PCB ASSY山多h心A与T我ACKSBEAT TEMPO PCB ASSY CRCUIT DAGRAM0代wPh里an page5MAN PCB ASSY10OPTIONSSONGORCUIT DAGRAM MAINPCB ASSY11地止义nd KS-EP.71 sangCONTROL PCB ASSY CIROUIT DIAGRAMNOTE STDRAGERGHT CONTACT PCB ASSY WRUBBER CONTACT CIROUIT DIAGRAM招LEFT CONTACT PCB ASSY WRUBBER CONTACT CRCUIT DAGRAM13TEST MODE14/15TEMPO0gda。物w20烟肚SOLUTON第比如p的rget■nd山CONTADLg年RCpa我ATED POWE身CUUTTWx2DISASSEMBLYBOTTOM CABINET ASSY REMOVAL SCREW:SELF TAP.SCREW 3.5x19 TCTCPRBZ cod.J2289128Copyfght 1999 by ROLAND CORPORATIONRolandSN00033K3018370Primed in laly (AC00)(AD)
请登录后查看评论内容