

第1页 / 共26页

第2页 / 共26页

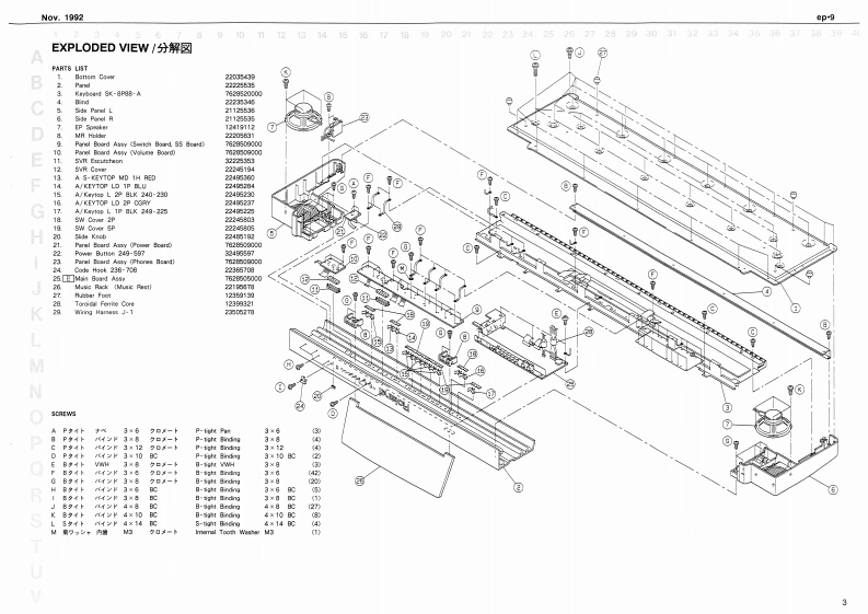
第3页 / 共26页

第4页 / 共26页

第5页 / 共26页

第6页 / 共26页

第7页 / 共26页

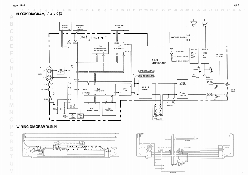
第8页 / 共26页

第9页 / 共26页

第10页 / 共26页
试读已结束,还剩16页,您可下载完整版后进行离线阅读
THE END
Noy.1992ep9e0.9SERVICE NOTESSPECIFICATIONS./仕樣DIGITAL PIANO1+1m=停s日引s2First Edition0e:8满g量0444444u1离g线00×1eeTABLE OF CONTENTS目次Page4…134Ge城Ds一…=hwt明1“昌0G47SPECIFICATIONS仕样MX·01w1日440LOCATION OF CONTROLS《木儿配置回11111111111””……………2MDCE SELDCT 1-4ACK-100 I20wdered!EXPLODED VIEWa▣2过高线ACTHBIOE B0NDISASSEMBLY/ASSEMBLYD料4Me:过4的sKEYBOARD SK-8P88-ASK86-A1a111,4k图切1PARTS LST0 Sor's Mmad Br llapareye1和OISASSEMBLY点0=个e知rc:EUMNATING THE KEYBOARD NOISE2边/沙撞方法·…·0S5D-城:4-tOROUIT BOARD:4E.S4sB目-A线4口1网LT下8hPARTS LIST队OCK DIAGRATE从4时本gN目DIAGRAMnMAIN BOARDE:Bekr is he灯TA网F样:4国FIC DATA伞过智N生CIRCUIT DIAGRAMMAIN BOARD/DEziol CieuitlVI KCIRCUIT DIAGRAM回☒《MAIN BOARD/Arelee Cle·--·-·I2ISNT /0PANEL BOARD CIRCUIT DIAGRAMPAA整板回七情园:--…13ISWITCH S5.POWER WOLOE.PHONES)ULSMITCH GS POL VELUME ITMEITEST MOOETRDUBLESHOOTINGIDENTIFYING CPU VERSIONRECORDER DATA BACKUP山与一梦一二最音吉打在7一夕功·22DIMENSIONAL OUTLINES FOR SPEAKER/又E一力一D规格☒STAND EP-AK-423PEOAL DP-2PEDAL DP-6以岁儿0P-…24112州量±22州00中3a时Pa四a9L出力看正代=:*+1=1151193提士20Q,480aP0sa0F时ey白deN6n/出力准压波昏样料--:.-…的、t4688H向2对5知0/国蓬0g内1Sooak■5aN有P012200MR Holdar 20120G4124191120122205831)(124191124之153由anLPanel数生他日anl几211255360222595G2112否535》-#13汽Kayboard Amyd9-8阳8-A2223534676201203090Roland17059673Printed in Japan AGE0(DP)1
请登录后查看评论内容