

第1页 / 共23页

第2页 / 共23页

第3页 / 共23页

第4页 / 共23页

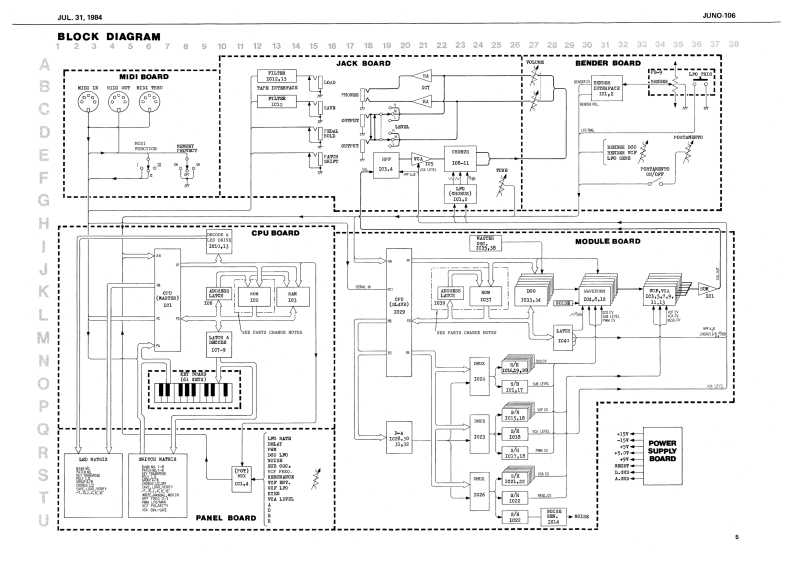
第5页 / 共23页

第6页 / 共23页

第7页 / 共23页

第8页 / 共23页

第9页 / 共23页

第10页 / 共23页
试读已结束,还剩13页,您可下载完整版后进行离线阅读
THE END
UL.31.1984JN0106JUN▣-MO6SERVICE NOTESCFU board-A中ewdFirst EditionI014到I001TVC61343t00224w1139t240SPECIFICATIONSKEYBOARD一制t白到dsATTACK TIME1.5ms to 3G的G形1113bDECAY TIME15n1TUNE土0entSUSTAIN LFVEL●1e100%LFO NOD.土400 cantsHELEASE TIME1.5mt to 121BENDER土t12006wr6LFO12VCFHATECUTOFF FREO.SHr to 50kHeDELAY TIME0粉3hRESONANCE01ee0o100nENV MOD土4 octaeesAUDIO OUTPUTL:-30dBm:M:-158nLFO MOO.上350n8和HI OdBmt3.5Bender bawdCa转Do进tKEY FOLLOW妇/-2 activesDIMENSIONS982w0.3200D11201H0mmleat shewvel10011vw13的110783241联20746WG61214利4-11/18IHI inWEIGHT10kg/22 Ib745J7POWER CONSUMPTION 25W (20w-100V)知dhe112W220240512B12M15834Side pane (right-131-43103HL0200i06413440122122510211活0日火时相火时2212岁4192212岁5191LED Diiplay window.T0eare22215408制1222455111LED LB-G7VA子109o4C树时-DMoc第rdMtks ieealA1浦口29710的t20WG4Mw1420HLU0501-1101341PA12513H2770联24VJUNO-061285184利-0 nder pan222167270SN43530p22215727A1PORTAMENTD ON/DFFT040g门0"*SOUAREKeybcardCompat海e.P飞4e5sl5X3g10t70132700904P90232757511211辆131Roland(5th Printing NOV.'88 B-2)Prined in Japan B-3
请登录后查看评论内容