ROLAND_KC-100_维修手册电器原理图

ROLAND_KC-100_维修手册电器原理图-找手册网
ROLAND_KC-100_维修手册电器原理图
此内容为付费资源,请付费后查看
1921
立即购买
您当前未登录!建议登陆后购买,可保存购买订单
付费资源

第1页 / 共8页

第2页 / 共8页

第3页 / 共8页

第4页 / 共8页

第5页 / 共8页

第6页 / 共8页

第7页 / 共8页

第8页 / 共8页
已完成全部阅读,共8
THE END
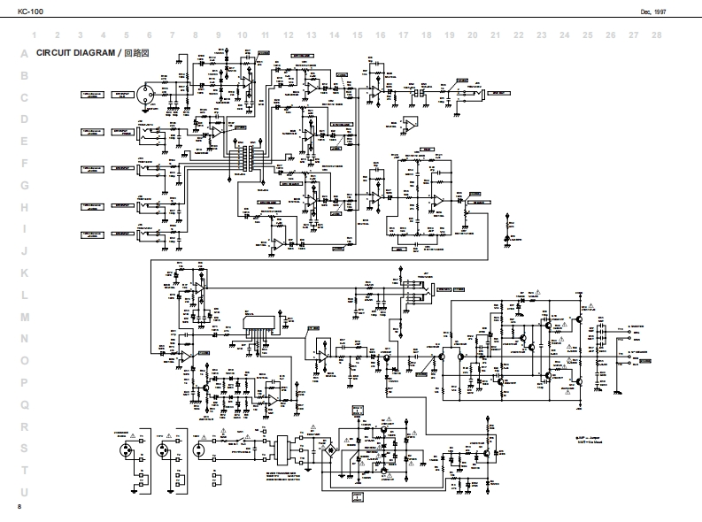
De第7KC-100KC-▣▣SERVICE NOTESSPECIFICATIONS/主在仕横First Editionc-004CH MIXING0视为a时ewg0u标d/定格9方Issued by RJA$标kg/天E一力一9方:60N8GKEYB▣AH▣AMPLIFIE7⊙nm1见现y的/手中之来寿1道度多有7:-50u8mhu20超m⊙nmd1阳aT8/手午》来1标草3有子:-50u8mmu-20超m⊙anmd214-208mTABLE OF CONTENTS目次PageSPEC月CAT0S-“”主拿仕模“1Oen0标uLwd/规交旦方业代寿静女LNE0UT/24之77k:+48mPA目LY0UT月来配置@“20超m-077SmmmCABINET EXP00EDEW····车中之名y卜分解园:““3CHASSIS巨XPL00 ED VIEW:之一之分解回40#akg/天心一力一PART兮LT月一7X}5,6:30127x1+Twetor x1........................Centroh/了之卜口-kCIRCUIT DLAGRAM-........:Chinndl 1 MCAINE Vd山mdChinnd 2LNE VdumeChinnd 3LNE VdueLOWTREBLEMasarVCLUVEPOWER SwichCeam cto3/挑提端平Chinndl 1 Irput JackChinnd2 IrputJ业RolandChinndl 3 IrputJackChinndl 4 IrputJackLNE OUT J女PHONES JadOPewer Comump/消食重方:40w0C100060wC1172②0M200O0 mcns/外卷寸法:4782I30043000mm1&-781034016-15160HhmO指中/重量:14g3240k6m8随/付量品Cuner's Mrua (Engih (17055092Cuner's Mrual (lapanme)(1 705503)008/揽品Copyright 1997 by ROLAND CORPORATIONSpeulberStand SS-115AAll rights reserved No part of this publication may be reprodaced in any fom withoutthe writan permission ofSpeakberCp SS-CAP (H1017017)ROLAND CORPORATIONWhen uing an SS-115Aipealber stand,be sure to ue a本害四一帮.儿《仕坐帮花每断t被写·无载有舌二上老北主才,Roland 17059908氟天E一力一天多?F上SS-1154老使同有3摩位.必Prnedn Jpan (CR)ADO 1天一力一寺中字乃S-C0老件同儿t使下3,
喜欢就支持一下吧
评论 抢沙发

请登录后发表评论

    请登录后查看评论内容